Texas Instruments TPS560430/TPS560430-Q1 Abwärtsregler

Der Texas Instruments TPS560430/TPS560430-Q1 SIMPLE SWITCHER® Abwärtsregler ist ein benutzerfreundlicher, synchroner DC/DC-Abwärtswandler, der einen Laststrom von bis zu 600 mA antreiben kann. Mit einem großen Eingabebereich von 4 V bis 36 V eignet sich das Bauteil für eine große Auswahl von Applikationen, von Industrie- bis Automobil-Applikationen für die Leistungsregelung von einer ungeregelten Quelle. Der TPS560430/TPS560430-Q1 bietet Betriebsfrequenzversionen von 1,1 MHz und 2,1 MHz für einen hohen Wirkungsgrad oder eine kleine Lösungsgröße. Außerdem bietet der TPS560430/TPS560430-Q1 eine FPWM-Version (erzwungene PWM) zur Erzielung einer Konstantfrequenz und einer kleinen Ausgangsspannungswelligkeit über den gesamten Lastbereich. Sanftanlauf- und Kompensations-Schaltkreise sind intern implementiert, was die Verwendung des Bauteils mit einer geringeren Anzahl externer Komponenten ermöglicht. Die TPS560430-Q1 Bauteile sind gemäß AEC-Q100 für Automobil-Applikationen zugelassen.

The TPS560430/TPS560430-Q1 has 1.1MHz and 2.1MHz operating frequency versions for either high efficiency or small solution size. The TPS560430/TPS560430-Q1 also has FPWM (forced PWM) version to achieve constant frequency and small output voltage ripple over the entire load range. Soft-start and compensation circuits are implemented internally, which allows the device to be used with minimum external components. The Texas Instruments TPS560430-Q1 devices are AEC-Q100 qualified for automotive applications.

Merkmale

  • Für robuste industrielle Applikationen konfiguriert
    • Eingangsspannungsbereich: 4 V bis 36 V
    • 600 mA Dauerausgangsstrom
    • Mindesteinschaltzeit: 60 ns
    • Maximales Tastverhältnis: 98 %
    • Unterstützt sicheres Einschalten mit vorgespanntem Ausgang
    • Kurzschlussschutz mit Hiccup-Modus
    • Toleranz-Spannungsreferenz von ±1,5 % über Temperatur von –40 °C bis 125 °C
  • Präzisionsfreigabe
    • Eine kleine Lösungsgröße und Benutzerfreundlichkeit
    • Integrierte Synchrongleichrichtungsschaltung
    • Interne Kompensation für Bedienkomfort
    • SOT-23-6-Gehäuse
  • Verschiedene Optionen in Pin-zu-Pin-kompatiblen Gehäusen
    • Frequenzoptionen von 1,1 MHz und 2,1 MHz
    • PFM- und erzwungene PWM-Optionen (FPWM)
    • Feste Ausgangsoption von 3,3 V

Applikationen

  • Netzinfrastruktur: Erweiterte Messinfrastruktur
  • Motorantrieb: AC-Wechselrichter, VF-Laufwerke, Servos, Feldaktuatoren
  • Werks- und Gebäudeautomatisierungssysteme: PLC, Industrie-PC, Aufzugssteuerung, HLK-Steuerung
  • Automobil-Nachrüstmarkt: Kamera
  • Universal-Netzteile mit großem VIN

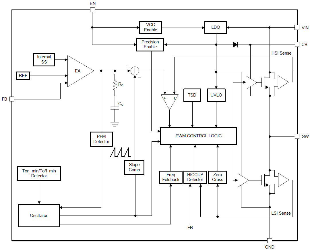
Funktionales Blockdiagramm

Blockdiagramm - Texas Instruments TPS560430/TPS560430-Q1 Abwärtsregler
Veröffentlichungsdatum: 2018-06-06 | Aktualisiert: 2024-11-05