Texas Instruments TPS562211 Synchroner 2-A-Abwärtswandler
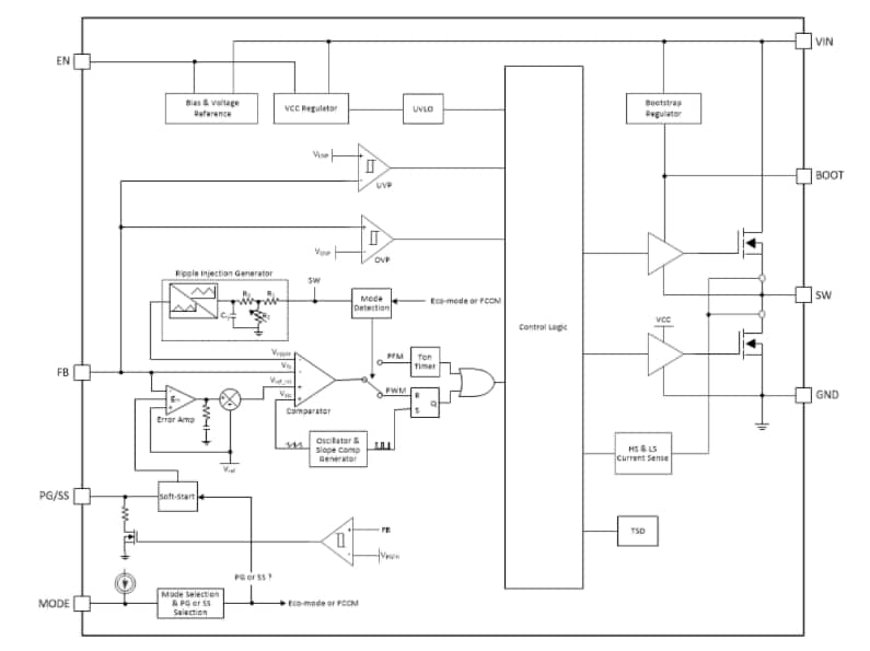
Der Texas Instruments TPS562211 synchrone 2-A-Abwärtswandler ist eine flexible, kostengünstige Lösung in einem SOT583-Gehäuse. Der TPS562211 Wandler verfügt über einen wählbaren Eco-Modus-Betrieb oder einen FCCM-Betrieb (Force Continuous Conduction Mode, FCCM). Darüber hinaus ist eine wählbare Power-Good-Anzeige oder ein externer Soft-Start über den Modus-Pin konfigurierbar. Der TPS562211 ermöglicht eine korrekte Leistungssequenzierung durch die Konfiguration von Freigabe, Power-Good-Anzeige oder einem externen Sanftanlauf. Ein großer Eingangsspannungsbereich von 4,2 V bis 18 V unterstützt eine große Auswahl von gängigen Eingangsschienen, wie z. B. 12 V und 15 V. Das Bauteil unterstützt einen Dauerausgangsstrom von bis zu 2 A bei Ausgangsspannungen zwischen 0,6 V und 7 V.Der TPS562211 synchrone 2-A-Abwärtswandler von TI implementiert mit der AECM-Steuertopologie (Advanced Emulated Current Mode, AECM) ein schnelles Einschwingverhalten mit einer echten festen Schaltfrequenz. Der TPS562211 ermöglicht eine interne Smart-Schleifenbandbreitensteuerung und bietet ein schnelles Einschwingverhalten über einen großen Ausgangsspannungsbereich, ohne dass eine externe Kompensation erforderlich ist.
Eine Zyklus-für-Zyklus-Spitzenstrombegrenzung auf dem High-Side-Spitzenstrom schützt den Wandler in Überlastungssituationen. Diese Funktion wird durch eine Low-Side-Talstrombegrenzung verstärkt, die ein Durchgehen des Stroms verhindert. Der Hiccup-Modus wird unter Überspannungsschutz (OVP), Unterspannungsschutz (UVP), UVLO-Schutz und thermischer Abschaltung ausgelöst.
Der TPS562211 synchrone 2-A-Abwärtswandler ist in einem SOT583-Gehäuse von 1,6 mm × 2,1 mm untergebracht.
Merkmale
- Eingangsspannung: 4,2 V bis 18 V
- Ausgangsspannung: 0,6 V bis 7 V
- Dauerausgangsstrom von bis zu 2 A
- Minimale Einschaltzeit: 45 ns
- Maximales Tastverhältnis: 98 %
- Hoher Wirkungsgrad
- Integrierte MOSFETs von 66 mΩ und 33 mΩ
- Ruhestrom: 120 μA (typisch)
- Hochflexibel und benutzerfreundlich
- Wählbarer Eco-Modus- oder FCCM-Betrieb
- Wählbare Power-Good-Anzeige oder externer Soft-Start
- Präziser Freigabeeingang
- Hohe Genauigkeit
- Referenzspannungsgenauigkeit: ±1 % (25 °C)
- Schaltfrequenztoleranz: ±8,5 %
- Kleine Lösungsgröße
- Interne Kompensation für eine einfache Verwendung
- SOT583-Gehäuse
- Minimale externe Komponenten
- Eine Zyklus-für-Zyklus-Strombegrenzung in High-Side- und Low-Side-MOSFETs
- Nicht-verriegelbare OVP-, UVP-, UVLO- und TSD-Schutzfunktionen
- Erstellen eines benutzerdefinierten Designs mit dem TPS562211 WEBENCH® Power Designer
Applikationen
- Set-Top-Box (STB), Digital-Fernseher
- Smart-Lautsprecher
- Drahtgebundene Netzwerke, Breitband
- Überwachung
Funktionales Blockdiagramm
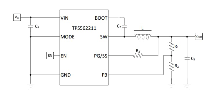
Vereinfachter Schaltplan
