Texas Instruments TPS563300 Synchroner 3-A-Abwärtswandler
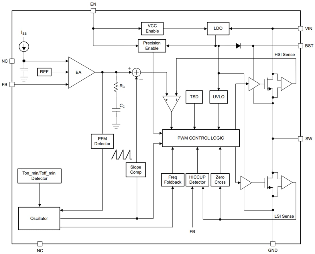
Der Texas Instruments TPS563300 synchrone 3-A-Abwärtswandler ist ein benutzerfreundlicher Abwärtswandler mit hohem Wirkungsgrad und einer großen Eingangsspannung von 3,8 V bis 28 V. Das Bauteil unterstützt eine Ausgangsspannung von 0,8 V bis 22 V und einen Dauerausgangsstrom von bis zu 3 A.Das Bauteil verwendet einen Festfrequenz-Spitzenstromsteuerungsmodus für ein schnelles Einschwingverhalten und eine gute Leitungs- und Lastregelung. Die optimierte interne Schleifenkompensation eliminiert die externen Kompensationskomponenten über einen großen Bereich von Ausgangsspannungen und Betriebsfrequenzen. Impulsfrequenzmodulationsmodus (PFM) zur Verbesserung des Wirkungsgrades bei leichter Last Eine niedrige Ruhestromfunktion bietet Vorteile für eine längere Batterielaufzeit im stromsparenden Betrieb. Das Bauteil reduziert das EMI-Rauschen mit einer Frequenzspreizungsfunktion.
Der TPS563300 von Texas Instruments bietet vollständige Schutzfunktionen, einschließlich OTP, OVP, UVLO, Zyklus-für-Zyklus-OC-Begrenzung und UVP mit Hiccup-Modus. Dieses Bauteil ist in einem kleinen SOT-583-Gehäuse (1,6 mm × 2,1 mm) mit einem Pin-Rastermaß von 0,5 mm untergebracht. Das Bauteil verfügt über eine optimierte Pinbelegung für ein einfaches PCB-Layout und fördert eine gute EMI-Performance.
Merkmale
- Benutzerfreundlich und kleine Lösungsgröße
- Spitzenstromregelmodus mit interner Kompensation
- Impulsfrequenzmodulation (PFM) für einen hohen Wirkungsgrad bei niedriger Last
- Feste Schaltfrequenz: 500 kHz
- EMI-freundlich mit Frequenzspreizung
- Unterstützt die Inbetriebnahme mit vorgespanntem Ausgang
- Eine Zyklus-für-Zyklus-OC-Begrenzung in High-Side- und Low-Side-MOSFETs
- Nicht-verriegelte Schutzfunktionen für OTP, OCP, OVP, UVP und UVLO
- SOT-583-Gehäuse: 1,6 mm × 2,1 mm
- Für eine große Auswahl von Applikationen ausgelegt
- Eingangsspannungsbereich: 3,8 V bis 28 V
- Ausgangsspannungsbereich: 0,8 V bis 22 V
- Dauerausgangsstrom: 3 A
- Referenzspannung: 0,8 V ±1,5 % (25 °C)
- Sperrschicht-Betriebstemperatur: -40 °C bis +150 °C
- Integrierte MOSFETs von 76 mΩ und 32 mΩ
- Geringer Ruhestrom: 20 μA (typisch)
- Maximales Tastverhältnis: 98 %
- Präzisions-EN-Schwellenwert
Applikationen
- Gebäudeautomatisierung, Haushaltsgeräte, Industrie-PC
- Multifunktionsdrucker, Unternehmens-Projektoren
- Tragbare Elektronik, angeschlossene Peripherie
- Smart-Lautsprecher und -Monitore
- Verteilte Stromversorgungssysteme mit 5 V, 12 V, 19 V und 24 V
Funktionales Blockdiagramm
