Texas Instruments TPS6282x Abwärtswandler
Texas Instruments TPS6282x Abwärtswandler sind benutzerfreundliche synchrone DC/DC-Abwärtswandler mit einem sehr niedrigen Ruhestrom von nur 4 µA. Basierend auf der DCS-Control™-Topologie wird ein schnelles Einschwingverhalten ermöglicht. Die interne Referenz ermöglicht es, die Ausgangsspannung bis hinunter zu 0,6 V mit einer hohen Feedback-Spannungsgenauigkeit von 1 % über den Sperrschichttemperaturbereich von -40 °C bis +125 °C zu regulieren. Diese Bauteile liefern von einer Eingangsspannung von 2,4 V bis 5,5 V einen Ausgangsstrom von bis zu 4 A. Diese Bauteile sind Pin-zu-Pin- und BOM-zu-BOM-kompatibel. Die gesamte Lösung kann mit einer kleinen Induktivität von 470 nH, einem Eingangskondensator von 4,7 µF und zwei Ausgangskondensatoren von 10 µF oder einem einzelnen Ausgangskondensator von 22 µF verwendet werden.Der TPS6282x bietet eine automatische Umschaltung in den Stromsparmodus, um für die Erweiterung der System-Batterielaufzeit einen hohen Wirkungsgrad auch bei sehr geringer Last aufrecht zu erhalten. Das Bauteil verfügt über ein Power-Good-Signal und eine interne Soft-Start-Schaltung. Ein Betrieb im 100-prozentigen Modus ist möglich. Für den Fehlerschutz ist eine HICCUP-Kurzschluss-Sicherung sowie ein Übertemperaturschutz enthalten. Das Bauteil ist in einem 6-Pin-QFN-Gehäuse von 1,5 x 1,5 mm oder in einem 8-Pin-QFN-Gehäuse von 2,0 x 1,5 mm verfügbar und bietet eine Lösung mit der höchsten Leistungsdichte.
Merkmale
- DCS-Control™-Topologie
- Ausgangsstrom: bis zu 4 A
- 1 % Feedback-Spannungsgenauigkeit (vollständiger Temperaturbereich)
- Wirkungsgrad: bis zu 97 %
- Interne Leistungs-MOSFETs: 26 mΩ und 25 mΩ
- Eingangsspannungsbereich: 2,4 V bis 5,5 V
- Betriebsruhestrom: 4 μA
- Schaltfrequenz: 2,2 MHz
- Ausgangsspannung einstellbar zwischen 0,6 V und 4 V
- Freigabe (EN) und Power-Good (PG)
- Interne Soft-Start-Schaltung
- Nahtloser Übergang in den Stromsparmodus
- Tastverhältnis von 100 %
- Aktive Ausgangsentladung
- Übertemperaturschutz
- HICCUP-Kurzschluss-Sicherung
- Unterspannungssperre (TPS62821, TPS62822, TPS62823)
- Zyklus-für-Zyklus-Strombegrenzung (TPS62821, TPS62822, TPS62823)
Applikationen
- POL-Versorgung für tragbare/batteriebetriebene Geräte
- Werks- und Gebäudeautomatisierung
- Mobile Computer, Netzwerkkarten
- Daten-Terminal, Kassenterminalsysteme
- Server, Projektoren, Drucker
- Solid-State-Laufwerke
- Videoüberwachung
- Industrie-PC
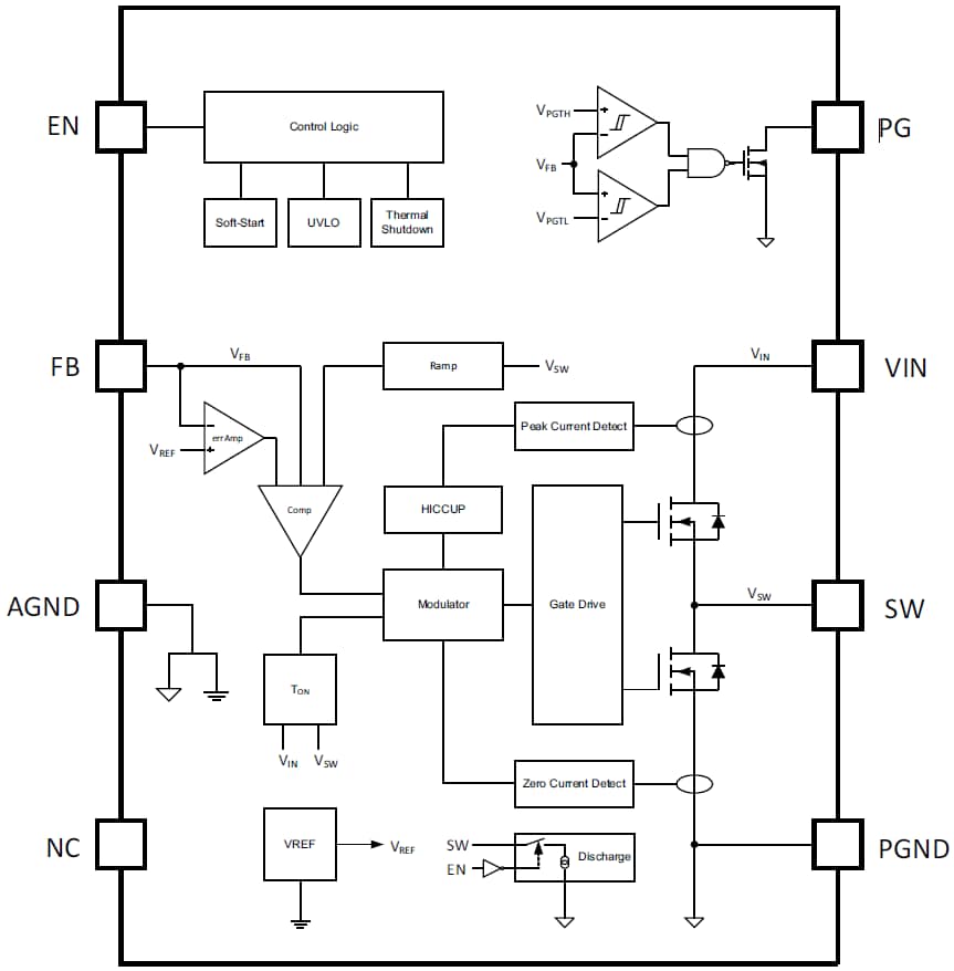
Funktionales Blockdiagramm
Veröffentlichungsdatum: 2018-06-05
| Aktualisiert: 2023-02-10
