Texas Instruments TPS6287Bxx Synchrone Abwärtswandler

Texas Instruments TPS6287Bxx Synchrone Abwärtswandler sind eine Produktfamilie von synchronen Pin-zu-Pin-DC/DC-Abwärtswandlern von 10 A, 15 A, 20 A und 25 A mit einer I2C-Schnittstelle und Differential-Fernerkundung. Alle Geräte bieten einfache Bedienung und hohe Effizienz. Niederohmige Leistungsschalter ermöglichen einen Ausgangsstrom von bis zu 25 A bei hohen Umgebungstemperaturen. Die Geräte können im Stacked-Modus betrieben werden, um die Verlustleistung auf mehrere Geräte zu verteilen oder um höhere Ausgangsströme zu liefern.

Die Texas Instruments TPS6287Bx Familie implementiert ein erweitertes DCS-Steuerungsschema, das schnelles Einschwingverhalten und Festfrequenzbetrieb kombiniert. Die Geräte können im Energiesparmodus für maximale Effizienz oder im Forced-PWM-Modus für exzellentes Einschwingverhalten und geringste Ausgangsspannungswelligkeit betrieben werden. Eine optionale Fernerkennungsfunktion maximiert die Spannungsregelung am Point-of-Load, und das Gerät erreicht eine Gleichspannungsgenauigkeit von ±0,8 % über den gesamten Ausgangsspannungsbereich.

Die I2C-kompatible Schnittstelle bietet verschiedene Steuer-, Warn- und Überwachungsfunktionen, wie z. B. Spannungsüberwachung und temperaturbezogene Warnungen. Die Ausgangsspannung kann schnell angepasst werden, um die Leistungsaufnahme der Last an die Leistungsanforderungen anzupassen. Die Standard-Einschaltspannung ist über die Pins VSET1 und VSET2 über einen Widerstand wählbar.

Merkmale

  • 2,7 V bis 6 V Eingangsspannungsbereich
  • Familie von Pin-zu-Pin-kompatiblen Geräten mit Nennwerten von 10 A, 15 A, 20 A, 25 A
  • Drei wählbare Ausgangsspannungsbereiche von 0,4 V bis 1,675 V
    • 0,4 V bis 0,71875 V mit 1,25 mV Schritten
    • 0,4 V bis 1,0375 V mit 2,5 mV Schritten
    • 0,4 V bis 1,675 V mit 5 mV Schritten
  • ±0,8 % Genauigkeit der Ausgangsspannung
  • 2,6 mΩ und 1,5 mΩ interne Leistungs-MOSFETs
  • Einstellbarer Sanftanlauf
  • Externer Ausgleich
  • Wählbare Startup-Ausgangsspannung über die Pins VSET1 und VSET2
    • 0,4 V zu 0,775 V mit 25 mV von Schritten
    • 0,8 V zu 1,55 V mit 50 mV von Schritten
  • Erzwungener PWM- oder Energiesparmodus-Betrieb
  • Auswahl der Anlauf-Ausgangsspannung über einen externen Widerstand oder I2C
  • I2C-kompatible Schnittstelle mit bis zu 3,4 MHz
  • Optionaler Stapelbetrieb für erhöhte Ausgangsstromkapazität
  • Differentielle Fernerkundung
  • Temperaturvorwarnung und Übertemperaturschutz
  • Ausgangsentladung
  • Optionale Spread-Spectrum-Taktung
  • Power-good-Ausgang mit Fensterkomparator

Applikationen

  • FPGA-, ASIC- und digitale Kernversorgung
  • Optische Netzwerke
  • Speicher

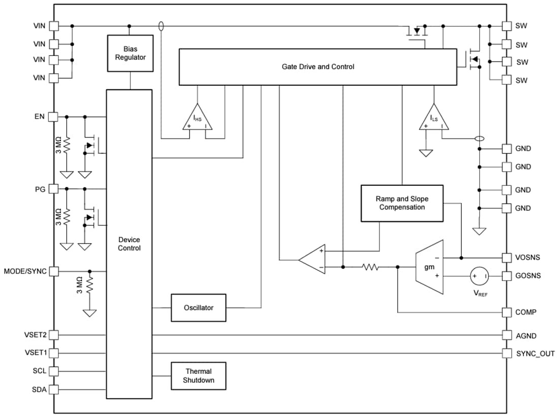
Funktionales Blockdiagramm

Blockdiagramm - Texas Instruments TPS6287Bxx Synchrone Abwärtswandler
Veröffentlichungsdatum: 2024-03-06 | Aktualisiert: 2024-12-05