Texas Instruments TPS6287x/TPS6287x-Q1 Abwärtswandler

Die synchronen Abwärtswandler TPS6287x/TPS6287x-Q1 von Texas Instruments stellen eine Produktfamilie von pin-kompatiblen DC/DC-Abwärtswandlern dar, die 6 A, 9 A, 12 A und 15 A Leistung bieten und über differenzielle Fernüberwachung verfügen. Jeder Nennstrom bietet vollausgestattete Bauteil-Ausführungen mit einer I2C-Schnittstelle und Bauteil-Ausführungen mit begrenztem Funktionsumfang ohne I2C-Schnittstelle. Alle Bauteile zeichnen sich durch hohen Wirkungsgrad und Benutzerfreundlichkeit aus. Der Schalter mit niedrigem Widerstand ermöglichen einen Dauerausgangsstrom von bis zu 15 A bei hohen Umgebungstemperaturen. Jedes Bauteil kann in einem gestapelten Modus betrieben werden, um höhere Ausgangsströme zu liefern. Die Bauteile können auch verwendet werden, um die Verlustleistung über mehrere Bauteile zu verteilen.

Die TPS6287x/TPS6287x-Q1-Produktfamilie von Texas Instruments implementiert ein verbessertes PLS-Steuerschema, das schnelle Transienten mit einem Festfrequenzbetrieb unterstützt. Die Bauteile arbeiten im Stromsparmodus für einen maximalen Wirkungsgrad oder im erzwungenen PWM-Modus für eine ausgezeichnete Transientenleistung und verfügen über die niedrigste Ausgangsspannungswelligkeit. Eine optionale Fernerkundungsfunktion maximiert die Spannungsregelung am Point-of-Load. Die Schaltfrequenz ist über den FSEL-Pin widerstandswählbar. Die Schaltfrequenz kann entweder auf 1,5 MHz, 2,25 MHz, 2,5 MHz oder 3 MHz eingestellt oder mit einem externen Takt im gleichen Frequenzbereich synchronisiert werden.

Die I2C-kompatible Schnittstelle bietet mehrere Steuerungs-, Warn- und Überwachungsfunktionen. Dazu gehören Spannungsüberwachung und Warnungen im Zusammenhang mit Temperatur. Mit der I2C-kompatiblen Schnittstelle lässt sich der Stromverbrauch der Last schnell an die Leistungsanforderungen der Applikation anpassen. Die werkseitige Startspannung kann über den VSEL-Pin durch Auswahl eines Widerstands eingestellt werden.

Merkmale

  • Fähig für die funktionale Sicherheit
    • Dokumentation zur Unterstützung des Designs von funktionalen Sicherheitssystemen ist verfügbar
  • 2,7 V bis 6 V Eingangsspannungsbereich
  • 6 A, 9 A, 12 A, 15 A, 20 A, 25 A und 30 A Produktfamilie von Pin-to-Pin-kompatiblen Bauteilen
  • Vier Ausgangsspannungsbereiche
    • 0,4 V bis 0,71875 V in Stufen von 1,25 mV
    • 0,4 V bis 1,0375 V in Stufen von 2,5 mV
    • 0,4 V bis 1,675 V in Stufen von 5 mV
    • 0,8 V bis 3,35 V in Stufen von 10 mV
  • Ausgangsspannungsgenauigkeit ±1 %
  • Ausgangsspannungsgenauigkeit ±0,8 % (TPS62877-Q1)
  • 7 mΩ und 4,5 mΩ Interne Leistungs-MOSFETs
  • 2,6 mΩ und 1,5 mΩ Interne Leistungs-MOSFETs (TPS62877-Q1)
  • Einstellbare externe Kompensation
  • Widerstands-wählbare Einschalt-Ausgangsspannung
  • Widerstands-wählbare Schaltfrequenz
  • Stromsparender oder erzwungener PWM-Betrieb
  • Differential-Fernerkundung
  • Optionaler gestapelter Betrieb für eine erhöhte Ausgangsstrombelastbarkeit
  • Thermische Warnung und thermische Abschaltung
  • Präziser Freigabeeingang
  • Aktive Ausgangsentladung
  • Optionale Frequenzspreizungstaktung
  • Power-Good-Ausgang mit einem Fensterkomparator
  • In einem VQFN-Gehäuse von 2,55 mm × 3,55 mm × 1 mm mit benetzbaren Flanken erhältlich
  • Sperrschichttemperatur, TJ: -40 °C bis +150 °C

Applikationen

  • Infotainment- und Kombi-Systeme
  • FAS
  • FPGA-, ASIC- und digitale Core-Versorgung
  • DDR-Speicherversorgung

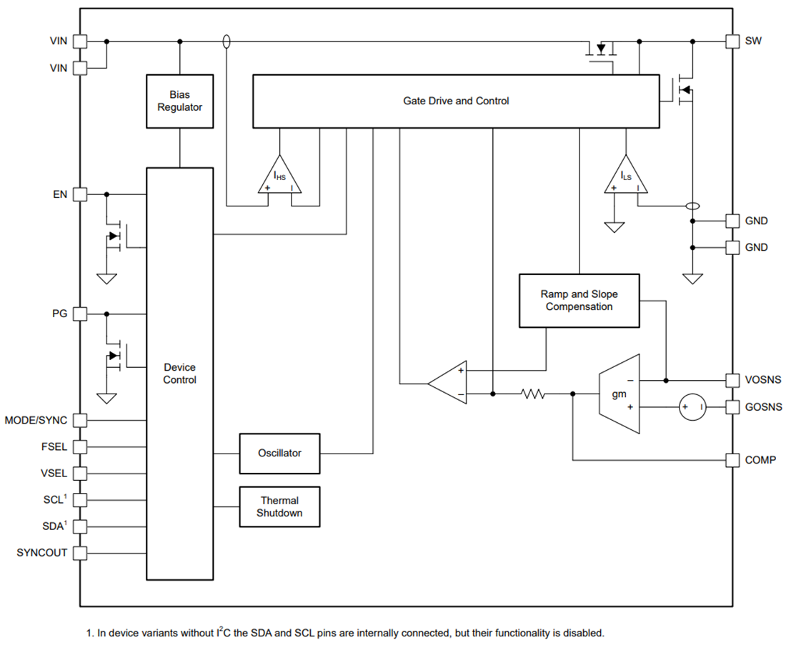
Funktionales Blockdiagramm

Blockdiagramm - Texas Instruments TPS6287x/TPS6287x-Q1 Abwärtswandler
Veröffentlichungsdatum: 2022-09-08 | Aktualisiert: 2025-05-06