Texas Instruments TPS631010EVM-109 Evaluierungsmodul

Das Evaluierungsmodul TPS631010EVM-109 von Texas Instruments ist zur Evaluierung und zum Testen des Betriebs und der Funktionalität des TPS631010 Buck-Boost-Wandlers ausgelegt. Dieses Modul arbeitet mit einem Eingangsspannungsbereich 1,6 V bis 5,5 V, wobei die Ausgangsspannung, auf 3,3 V festgelegt ist. Bei diesem Evaluierungsmodul kann der Ausgangsstrom auf 2 A ansteigen, wenn Vin höher als 3 V ist, und auf 1,5 A wenn Vi n höher als 2,7 V ist.

Merkmale

  • Eingangsspannungsbereich: 1,6 V bis 5,5 V
  • 1,0 V bis 5,5 V Ausgangsspannungsbereich
  • 3 A Spitzenstrombegrenzung
  • 8 µA Ruhestrom (typisch)

Ansicht von Oben

Texas Instruments TPS631010EVM-109 Evaluierungsmodul

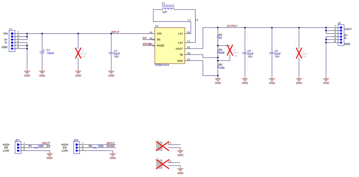
Schaltschema

Schaltplan - Texas Instruments TPS631010EVM-109 Evaluierungsmodul
Veröffentlichungsdatum: 2023-03-15 | Aktualisiert: 2024-01-23