Texas Instruments TPS6508700 Energiemanagement-IC (PMIC)
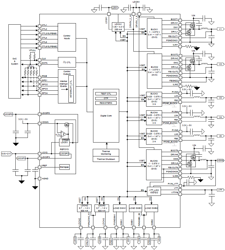
Der Texas Instruments TPS6508700 Energiemanagement-IC (PMIC) ist ein Einzelchip-PMIC für die 17h-Modelle 10h-1Fh Prozessoren der AMD™-Produktfamilie, die für Notebooks und All-in-One-Desktops ausgelegt sind. Das TPS6508700 Bauteil bietet einen Eingangsbereich von 5,6 V bis 21 V und ermöglicht damit den Einsatz in einer großen Auswahl von Applikationen. Dieser Baustein eignet sich hervorragend für NVDC- und Nicht-NVDC-Stromversorgungsarchitekturen mit 2S-, 3S- oder 4S-Li-Ionen-Akkusätze. Die D-CAP2™- und DCS-Control™-Hochfrequenz-Spannungsregler verwenden kleine Induktivitäten und Kondensatoren, um eine kleine Lösungsgröße zu erzielen. Die D-CAP2- und DCS-Control-Topologien verfügen über eine ausgezeichnete Einschwingzeit-Leistung und eignen sich daher hervorragend für Prozessorkerne und Systemspeicherschienen mit schneller Lastschaltung. Eine I2C-Schnittstelle ermöglicht die einfache Steuerung über einen eingebetteten Controller (EC) oder über ein System-on-Chip (SoC).Merkmale
- Breiter VIN-Bereich von 5,6 V bis 21 V
- Drei synchrone Abwärts-Controller mit variabler Ausgangsspannung und DCAP2™ Topologie
- Skalierbarer Ausgangsstrom mit Verwendung von externen FETs mit einstellbarer Strombegrenzung
- I2C Steuerung der dynamischen Spannungsskalierung (DVS) für BUCK2 und BUCK6, externes Feedback für BUCK1
- Drei synchrone Abwärts-Controller mit variabler Ausgangsspannung, DCS-Control-Topologie und I2-DVS-Fähigkeiten
- VIN-Bereich von 4,5 V bis 5,5 V
- VOUT-Bereich von 0,425 V bis 3,575 V
- Bis zu 3 A Ausgangsstrom
- Drei LDO-Regler mit einstellbarer Ausgangsspannung
- LDOA1: I2C-einstellbare Ausgangsspannung von 1,35V bis 3,3V für einen Ausgangsstrom bis 200mA.
- LDOA2 und LDOA3: I2C-einstellbare Ausgangsspannung von 0,7 V bis 1,5 V für einen Ausgangsstrom von bis 600 mA.
- LDO mit BUCK6 als Eingangsspannung
- Drei Lastschalter mit Anstiegsratensteuerung
- Ausgangsstrom bis 300mA mit Spannungsabfall von weniger als 1,5% der Eingangsnennspannung
- RDSON < 96mΩ bei einer Eingangsspannung von 1,8V
- 5V feste Ausgangsspannungs-LDO (LDO5)
- Stromversorgung für Gate-Treiber von SMPS und für LDOA1
- Automatische Umschaltung auf externen 5V-Buck für höheren Wirkungsgrad
- Eingebaute Sequenzierung durch werksseitige OTP-Programmierung
- CTL1, CTL4 und CTL5 verwendet für G3’-, G3-, S5- und S0-Statusauswahl
- GPO1 und GPO2 verwendet für PG_S0 und PG_S5
- Open-Drain-Interrupt-Ausgangspin
- I2C-Schnittstellen unterstützen
- Standardmodus (100kHz)
- Schnellmodus (400kHz)
- Schnellmodus-Plus (1 MHz)
Applikationen
- Li-Ion-batteriebetriebene Produkte mit 2, 3 oder 4 Reihenzellen (NVDC oder Nicht-VVDC)
- Netzbetriebene Konstruktionen, insbesondere von einem 12V-Netzteil
- Tablet-, Ultrabook- und Notebook-Computer
- Mobile PCs und mobile Internetgeräte
Funktionales Blockdiagramm
Veröffentlichungsdatum: 2018-06-20
| Aktualisiert: 2023-03-01
