Texas Instruments TPS65218 Energiemanagement-IC (PMIC)
Die Energiemanagement-ICs (PMIC) der TPS65218-Serie von Texas Instruments für ARM Cortex-A8/A9 SOCs & FPGAs sind Einzelchip-Energiemanagement-ICs, die eigens zur Unterstützung von sowohl tragbaren (Lithiumionen-Akkus) als auch nicht tragbaren (5V-Adapter) Anwendungen entwickelt wurden. Jedes Gerät eignet sich für einen Temperaturbereich zwischen -40°C bis 105°C und kann daher in einer Vielzahl von industriellen Anwendungen eingesetzt werden. Das TPS65218 wird entweder in einem 48-Kontakt QFN-Gehäuse (6mm × 6mm, 0,4mm Rastermaß) oder einem 48-Kontakt QFP-Gehäuse (7mm × 7mm, 0,5mm Rastermaß) geliefert. Zu den typischen Anwendungsbereiche gehören: Industrielle Automation, Point-of-Sale-Anwendungen, Test- und Messgeräte und persönliche Navigationssysteme.The I2C interface allows the user to enable and disable all voltage regulators, load switches, and GPIOs. Additionally, UVLO and supervisor voltage thresholds, power-up sequence, and power-down sequence can be programmed through I2C. Interrupts for overtemperature, overcurrent, and undervoltage can be monitored as well. The supervisor monitors DCDC1 through DCDC4 and LDO1. The supervisor has two settings, one for typical undervoltage tolerance (STRICT = 0b), and one for tight undervoltage and overvoltage tolerances (STRICT = 1b). A power-good signal indicates proper regulation of the five voltage regulators.
Three hysteretic step-down converters are targeted at providing power for the processor core, MPU, and DDRx memory. The default output voltages for each converter can be adjusted through the I2C interface. DCDC1 and DCDC2 feature dynamic voltage scaling to provide power at all operating points of the processor. DCDC1 and DCDC2 also have programmable slew rates to help protect processor components. DCDC3 remains powered while the processor is in a sleep mode to maintain power to DDRx memory. Backup power provides two step-down converters for the tamper, RTC, or both domains of the processor if system power fails or is disabled. If both system power and coin-cell battery are connected to the PMIC, power is not drawn from the coin-cell battery. A separate power good signal monitors the backup converters. A battery backup monitor determines the power level of the coin-cell battery.
Merkmale
- Three adjustable step-down converters With integrated switching FETs (DCDC1, DCDC2, DCDC3)
- DCDC1: 1.1V Default, up to 1.8A
- DCDC2: 1.1V Default, up to 1.8A
- DCDC3: 1.2V Default, up to 1.8A
- VIN Range From 2.7V to 5.5V
- Adjustable output voltage range 0.85V to 1.675V (DCDC1 and DCDC2)
- Adjustable output voltage range 0.9V to 3.4V (DCDC3)
- Power save mode at light load current
- 100% Duty cycle for lowest dropout
- Active output-discharge when disabled
- One adjustable buck-boost converter with integrated switching FETs (DCDC4)
- DCDC4: 3.3V Default, up to 1.6A
- VIN Range from 2.7V to 5.5V
- Adjustable output voltage range 1.175V to 3.4V
- Active output-discharge when disabled
- Two low-quiescent current, high efficiency step-down converters for battery backup domain (DCDC5, DCDC6)
- DCDC5: 1V Output
- DCDC6: 1.8V Output
- VIN Range from 2.2V to 5.5V
- Supplied from system power or coin-cell backup battery
- Adjustable general-purpose LDO (LDO1)
- LDO1: 1.8V Default up to 400mA
- VIN Range from 1.8V to 5.5V
- Adjustable output voltage range From 0.9V to 3.4V
- Active output-discharge when disabled
- Low-voltage load switch (LS1) With 350mA current limit
- VIN Range from 1.2V to 3.6V
- 110mΩ (Max) switch impedance at 1.35V
- 5V Load switch (LS2) with 100mA or 500mA selectable current limit
- VIN Range from 3V to 5.5V
- 500mΩ (Max) Switch impedance at 5V
- High-voltage load switch (LS3) with 100mA or 500mA selectable current limit
- VIN Range From 1.8V to 10V
- 500mΩ (Max) switch impedance
- Supervisor with built-in supervisor function monitors
- DCDC1, DCDC2 ±4% Tolerance
- DCDC3, DCDC4 ±5% Tolerance
- LDO1 ±5% Tolerance
- Protection, diagnostics, and control
- Undervoltage Lockout (UVLO)
- Always-on push-button monitor
- Overtemperature warning and shutdown
- Separate power-good output for backup and main supplies
- I2C Interface (address 0x24)
Merkmale
- Industrial automation
- Electronic Point of Sale (ePOS)
- Test and measurement
- Personal navigation
- Industrial communications
- Backplane I/O
- Connected industrial drives
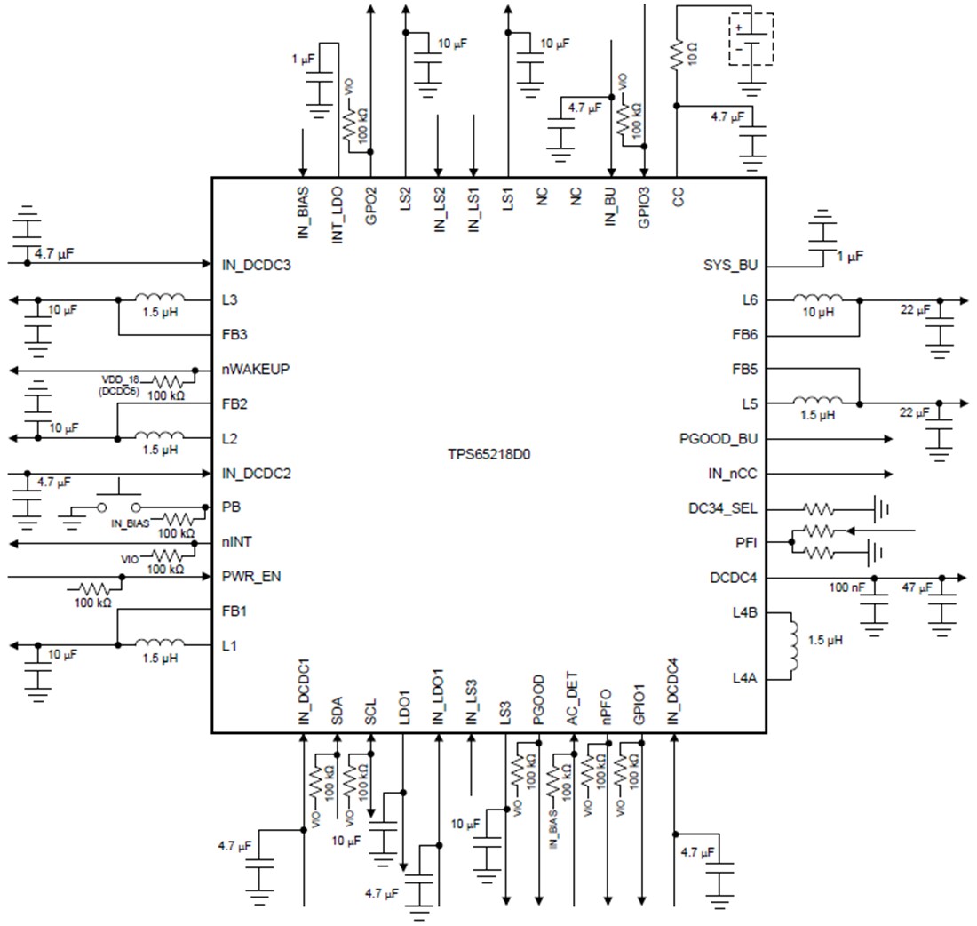
Simplified Schematic
