Texas Instruments TPS9238x 45-V-LED-Hintergrundbeleuchtungstreiber
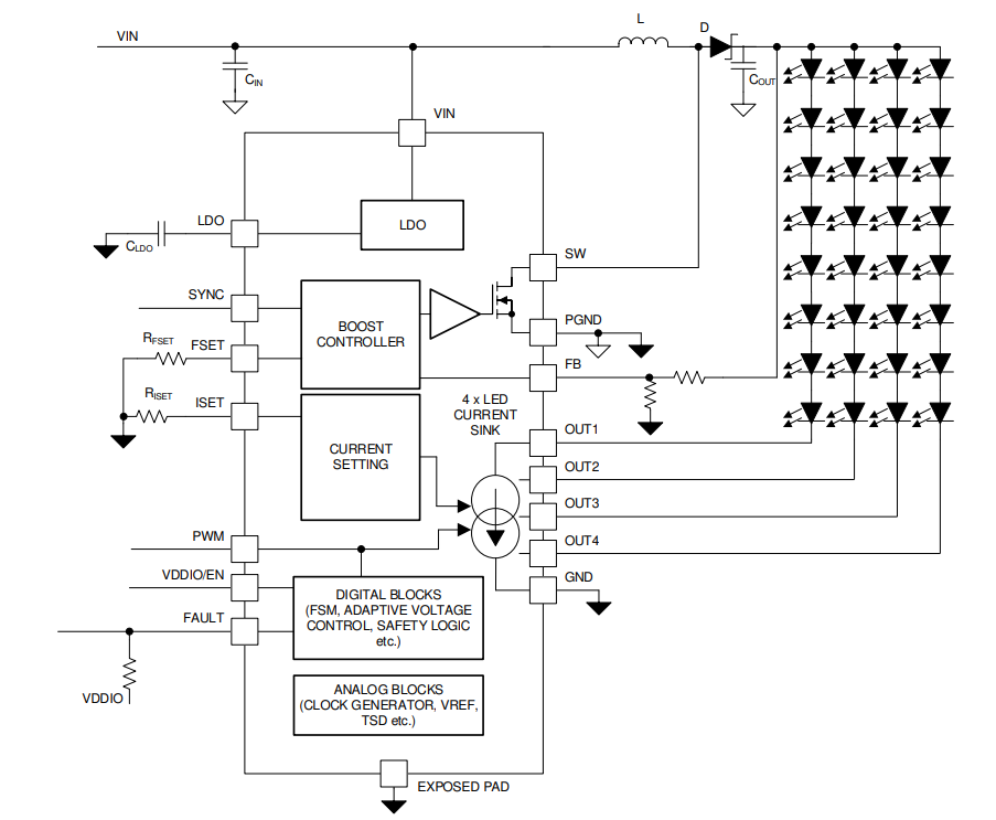
Der TPS9238x 45-V-LED-Hintergrundbeleuchtungstreiber von Texas Instruments ist hochintegriert und für mittelgroße LCD-Hintergrundbeleuchtungs-Applikationen ausgelegt. Der TPS9238x enthält einen DC-DC mit einem integrierten FET, der sowohl Aufwärts-als auch SEPIC-Modi unterstützt, einen internen LDO, der eine direkte Verbindung zu einer Batterie ermöglicht, ohne dass eine vorgeregelte Versorgung erforderlich ist, und 3 oder 4 LED-Stromsenken. Der VDDIO/EN-Pin liefert die Versorgungsspannung für digitale IOs (PWM- und SYNC-Eingänge) und ermöglicht gleichzeitig das Bauteil.Der TI TPS9238x 45-V-LED-Hintergrundbeleuchtungstreiber legt die Schaltfrequenz auf dem DC/DC-Wandler über einen Widerstand fest, der mit dem FSET-Pin verbunden ist. Ein mit dem FB-Pin verbundener Widerstandsteiler legt die maximale Spannung des DC/DC fest. Für die Reduzierung von EMI unterstützt der DC/DC-Wandler eine Frequenzspreizung für die Schaltfrequenz und eine externe Synchronisierung mit einem dedizierten Pin. Eine große Auswahl von einstellbaren Frequenzen ermöglicht es dem TPS9238x, Störungen für das empfindliche Frequenzband zu verhindern.
Der TPS9238x enthält umfassende Fehlererkennungsfunktionen. Der TPS9238x verfügt über einen Eingangsspannungsbereich von 4,5 V bis 40 V und ist in einem HTSSOP-Gehäuse verfügbar.
Merkmale
- Drei-, Vierkanal-120-mA-Stromsenken
- Hohes Verdunkelungsverhältnis von 10.000:1 bei 100 Hz
- Stromanpassung: 1 % (typisch)
- LED-Kettenstrom von bis zu 160 mA pro Kanal
- Ausgänge können extern für einen höheren Strom pro Kette kombiniert werden
- Integrierter Aufwärts- und SEPIC-Wandler für LED-Kettenstrom
- Eingangsspannungsbereich: 4,5 V bis 40 V
- Ausgangsspannung von bis zu 45 V
- Integrierter Schalt-FET von 3,3 A
- Schaltfrequenz von 300 kHz bis 2,2 MHz
- Schaltsynchronisationseingang
- Frequenzspreizung für niedrige EMI
- Fehlermeldung und -schutz
- Fehlerausgang
- Eingangsspannungs-OVP, -UVLO und -OCP
- Aufwärts-Block-SW-OVP und Ausgangs-OVP
- Fehlererkennung von LED-Kurzschlüssen und offenen Kreisläufen
- Thermische Abschaltung
Applikationen
- Industrielle Hintergrundbeleuchtung für mittelgroßes Panel
- Verbraucher-Hintergrundbeleuchtung für mittelgroßes Panel
- Industrielle Beleuchtung für LED-Panel
Blockdiagramm
