Texas Instruments TPS92530-Q1 Synchroner 3-Kanal-Abwärts-LED-Treiber
Der synchrone 3-Kanal-Abwärts-LED-Treiber TPS92530-Q1 von Texas Instruments hat einen breiten Eingangsspannungsbereich von 4,5 V bis 65 V und kann drei in Reihe geschaltete LED-Stränge unabhängig voneinander versorgen. Die TPS92530-Q1 implementiert eine adaptive Einschaltzeit-Durchschnittsstromregelung, die eine konstante Spannung oder einen konstanten Stromausgang erzeugt. Die adaptive Einschaltzeitsteuerung bietet eine nahezu konstante Schaltfrequenz, die zwischen 100 kHz und 1,2 MHz eingestellt werden kann. Das Bauteil ist mit Shunt-FET-Dimmtechniken und LED-Matrixmanager-basierten dynamischen Scheinwerfern im Konstantstrommodus kompatibel. Im Konstantspannungsmodus ermöglicht die adaptive Einschaltzeitsteuerung einen Betrieb mit hoher Bandbreite und schnellem Einschwingverhalten. Die Messung des Induktionsstroms und die geschlossene Rückkopplung ermöglichen eine Genauigkeit von mehr als ±4 % über einen weiten Eingangsspannungs-, Ausgangsspannungs- und Umgebungstemperaturbereich.Im Konstantstrommodus kann der Hochleistungs-LED-Treiber den LED-Strom unabhängig voneinander mit analogen oder PWM-Dimmtechniken modulieren. Lineares analoges Dimmverhalten mit einem Bereich von über 16:1 wird durch die Programmierung des 10-Bit-Referenzwertes (CHxREF) über SPI erreicht. Die PWM-Dimmung des LED-Stroms wird durch direkte Modulation des entsprechenden UDIM-Eingangspins mit dem gewünschten Tastverhältnis oder durch Aktivierung der internen PWM-Generatorschaltung erreicht. Der PWM-Generator übersetzt den 10-Bit-PWM-Registerwert in ein entsprechendes Tastverhältnis, indem er ihn mit einem programmierbaren digitalen Zähler vergleicht.
Der TPS92530-Q1 von Texas Instruments verfügt über einen fortschrittlichen, programmierbaren SPI-Diagnose- und Fehlerschutz mit zyklusweiser Begrenzung des Schaltstroms, Bootstrap-Unterspannung, LED offen, LED kurz, thermischer Warnung und thermischer Abschaltung. Ein integrierter 10-Bit-ADC tastet kritische Eingangsparameter ab, die für die Überwachung und Diagnose des Systemzustands erforderlich sind.
Merkmale
- Gem. AEC-Q100 für Fahrzeuganwendungen zugelassen
- Klasse 1 (-40 °C bis 125 °C Betriebstemperatur)
- Bauteil HBM-Klassifizierungsstufe H1C
- Bauteil CDM-Klassifizierungsstufe C5
- Funktionssicherheit fähig
- Dokumentation zur Unterstützung des Designs von funktionalen Sicherheitssystemen ist verfügbar
- 4,5 V bis 65 V breiter Eingangsspannungsbereich
- Konfigurierbarer Betrieb mit konstanter Spannung und konstantem Strom
- Bis zu 2 A kontinuierlicher Ausgangsstrom
- 4 % Regelgenauigkeit (Spannungs- und Strommodus)
- Adaptive On-Time-Durchschnittsstrom-Steuerung
- Programmierbare Schaltfrequenz von 100 kHz bis 1,2 MHz
- Fortschrittlicher Verdunkelungsbetrieb
- 10-Bit-Präzisions-Analog-Verdunkelung
- 10-Bit-Präzisions-PWM-Verdunkelung
- Unterstützt externen PWM-Dimm-Eingang
- Optimiert für externe Nebenwiderstands-Verdunkelung, einschließlich LED-Matrix-Manager
- Zyklus-für-Zyklus-Schalter-Überstromschutz
- Thermischer Schutz des Schalters
- Serielle Peripherieschnittstelle (SPI)
- Konfigurierbare analoge Referenz, Schaltfrequenz und PWM-Dimm-Tastverhältnis
- Störungsüberwachung und -meldung
- Limp-Home- (LH) und Standalone-Betrieb
Applikationen
- Autoscheinwerfer und adaptives LED-Ansteuerungsmodul
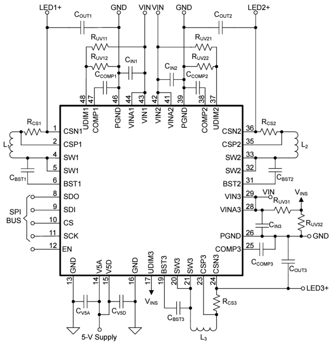
Vereinfachtes Schaltschema
