Texas Instruments TPSI2072-Q1 Isoliertes Zweikanal-Halbleiterrelais
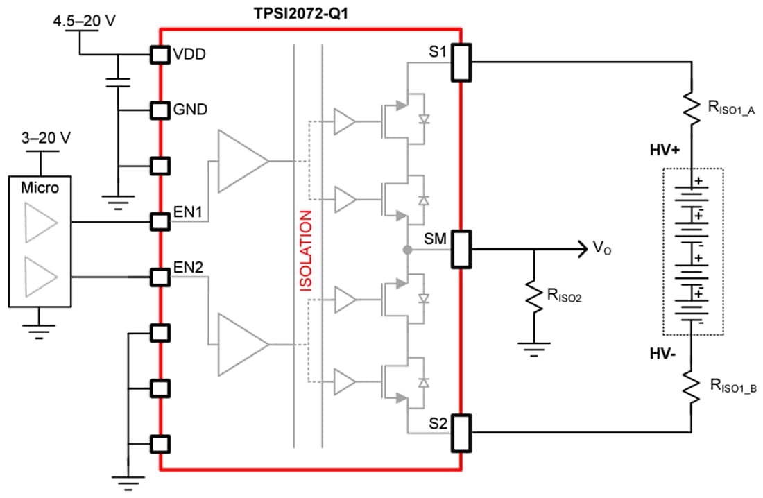
Das isolierte Zweikanal-Halbleiterrelais (SSR) TPSI2072-Q1 von Texas Instruments ist für Hochspannungs-Fahrzeuganwendungen und Industrieapplikationen ausgelegt. Das Bauelement TPSI2072-Q1 verwendet die hochzuverlässige kapazitive Isolationstechnologie von TI in Kombination mit internen Back-to-Back-MOSFETs, um eine vollständig integrierte Lösung zu bilden, die keine sekundärseitige Stromversorgung erfordert. Die Baureihe TPSI2072-Q1 verbessert die Systemzuverlässigkeit, da die kapazitive Isolationstechnologie von TI nicht unter mechanischen Verschleiß- oder Lichtabbauausfallmodi leidet, die in mechanischen Relais- und Fotorelais-Komponenten üblich sind.Die Primärseite des Bauteils wird über einen Eingangsstrom von nur 9 mA betrieben und enthält ausfallsichere EN1- und EN2-pins, wodurch eine Rückspeisung der VDD -Versorgung verhindert wird. In den meisten Applikationen sollte der VDD -Pin des Bauteils mit einer Systemversorgung zwischen 4,5 V und 20 V verbunden werden und die EN1- und EN2-Pins des Bauteils sollten von einem GPIO-Ausgang mit Logik-HI zwischen 2,1 V und 20 V angesteuert werden. Die VDD -, EN1- und EN2-Pins können direkt von der Systemversorgung oder einem GPIO-Ausgang in anderen Applikationen angesteuert werden.
Jeder Kanal auf der Sekundärseite besteht aus Back-to-Back-MOSFETs mit einer Sperrspannung von +/-600 V von SM bis S1 und SM bis S2. Die Avalanche-Robustheit und das wärmeempfindliche Gehäusedesign des TPSI2072-Q1 MOSFET ermöglichen eine robuste Unterstützung von dielektrischen Widerstandstests auf Systemebene (HiPot) und schnellen DC-Ladeströmen bis zu 2 mA, ohne dass externe Komponenten erforderlich sind.
Merkmale
- Für Fahrzeuganwendungen zugelassen
- AEC-Q100 Klasse 1 (-40 bis 125 °C TA)
- Integrierte Avalanche-fähige MOSFETs
- Entwickelt und qualifiziert für Zuverlässigkeit für dielektrische Widerstandstests (Hi-Pot)
- IAVA = 2 mA für 5 s Impulse, 1 mA für 60 s Impulse
- VHIPOT, 5 s = 4.300 V mitR-Serie > 1,83 mΩ
- VHIPOT, 5 s = 2.850 V mitR-Serie > 1,1 mΩ
- Sperrspannung: 600 V
- RON = 65 Ω (TJ = 25 °C)
- IOFF = 1 µA bei 500 V (TJ = 105 °C)
- Entwickelt und qualifiziert für Zuverlässigkeit für dielektrische Widerstandstests (Hi-Pot)
- Niedriger primärseitiger Versorgungsstrom
- 5 mA Einkanal-, 9 mA Zweikanal-Durchlassstrom
- Funktionssicherheitsfunktionen
- Verfügbare Dokumentation zur Unterstützung beim Systemdesign nach ISO 26262 und IEC 61508
- Robuste Isolationsbarriere
- Projizierte Lebensdauer von 26 Jahren bei 1.000 VRMS/ 1.500 VDC-Betriebsspannung
- Nennisolierung, VISO, bis zu 3.750 VRMS/ 5.300 VDC
- 11-Pin-SOIC-Gehäuse (DWQ) mit großen Pins für eine verbesserte thermische Leistung
- Kriech- und Luftstrecke ≥ 8 mm (primär-sekundär)
- Kriech- und Luftstrecke ≥ 3 mm (über Schalterklemmen)
- Sicherheitsbezogene Zulassungen
- (Geplant) DIN VDE V 0884-11:2017-01
- (Geplant) UL 1577 Komponenten-Genehmigungsprogramm
Applikationen
- Solid State Relais
- Hybrid-, Elektro- und Antriebsstrangsysteme
- Batteriemanagementsysteme (BMS)
- Energiespeichersysteme (ESS)
- Solarenergie
- On-Board-Ladegerät
- EV-Ladeinfrastruktur
Weitere Ressourcen
Videos
Vereinfachter Applikationsschaltplan
