Texas Instruments TPSM843B22 SWIFT™ Abwärtsleistungsmodul
Das TPSM843B22 SWIFT™ Abwärtsleistungsmodul von Texas Instruments ist ein synchrones Abwärtsmodul von 18 V, 20 A mit hohem Wirkungsgrad, das eine intern kompensierte, erweiterte Festfrequenz-Strommodus-Steuerarchitektur (ACM) verwendet. Während das Bauteil kontinuierlich unter FCCM arbeitet, erzeugt es Ausgangsspannungen von 0,5 V bis 7 V. Das Modul bietet einen hohen Wirkungsgrad während des Betriebs mit einer Schaltfrequenz bis zu 2,2 MHz. Das TPSM843B22 von Texas Instruments ist in einem umspritzten Gehäuse von 6,5 mm x 7,5 mm x 4 mm untergebracht, wodurch er sich hervorragend für Designs eignet, die eine kleine Lösungsgröße erfordern. Zusätzliche Funktionen umfassen eine Spannungsreferenz mit hoher Genauigkeit, wählbare Soft-Start-Zeiten, eine monotone Inbetriebnahme in vorgespannte Ausgänge, wählbare Strombegrenzungen, eine einstellbare UVLO über den EN-Pin und eine vollständige Suite von Fehlerschutzfunktionen.Merkmale
- Intern kompensierte erweiterte Festfrequenz-Strommodussteuerung (ACM)
- Integrierte MOSFETs von 6,5 mΩ und 2 mΩ, Induktivität und grundlegende passive Bauelemente
- Eingangsspannungsbereich: 4 V bis 18 V
- Ausgangsspannungsbereich: 0,5 V bis 7 V
- Echter differentieller Fernerkundungsverstärker (RSA)
- Drei wählbare PWM-Rampenoptionen zur Optimierung der Regelkreisleistung
- Fünf wählbare Schaltfrequenzen von 500 kHz, 750 kHz, 1 MHz, 1,5 MHz und 2,2 MHz
- Möglichkeit der Synchronisation mit externem Taktgeber
- Spannungsreferenzgenauigkeit von 0,5 V, ±0,5 % über den gesamten Temperaturbereich
- Wählbare Sanftanlaufzeiten: 1 ms, 2 ms, 4 ms und 8 ms
- Monotone Inbetriebnahme in vorgespannte Ausgänge
- Freigabe mit einstellbarer Eingangs-Unterspannungssperre
- Power-Good-Ausgangswächter
- Ausgangs-Überspannungs-, Ausgangs-Unterspannungs-, Eingangs-Unterspannungs-, Überstrom- und Übertemperaturschutz
- Sperrschichtbetriebstemperatur: -40 °C bis +125 °C
- Umspritzte 25-Pin-QFN-Gehäuse von 6,5 mm x 7,5 mm x 4,0 mm
- Bleifrei (RoHS-konform)
- Pin-kompatibel mit 16 A - TPSM843A26 und 12 A - TPSM843A22
Applikationen
- Drahtlose und drahtgebundene Kommunikationsinfrastruktur-Ausrüstung
- Optische und Glasfaser-Netzwerke
- Prüf- und Messsysteme
- Medizintechnik und Gesundheitswesen
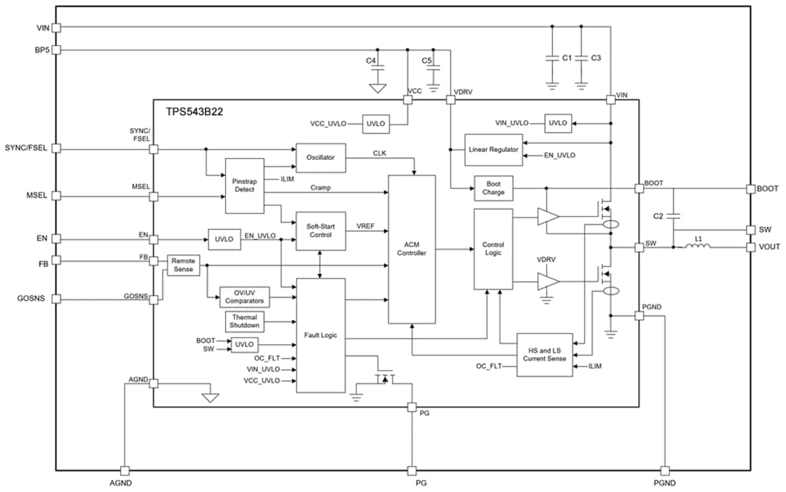
Funktionales Blockdiagramm
Veröffentlichungsdatum: 2023-09-18
| Aktualisiert: 2023-11-29
