Texas Instruments TPSM8S6C24SEVM Evaluierungsmodul
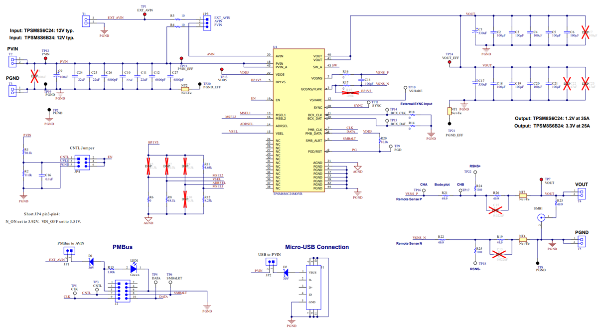
TPSM8S6C24SEVM Evaluierungsmodul von Texas Instruments wurde entwickelt, um das TPSM8S6C24 Gerät zu evaluieren und sich mit dem Gerät bis hin zum PMBus-® Befehl und dem erweiterten Schreibschutz vertraut zu machen. Das TPSM8S6C24 ist ein konfigurierbares Abwärtswandlermodul mit einem Ausgang. Dieses Evaluierungsmodul arbeitet mit einem Eingangsspannungsbereich von 5 V bis 16 V . Das TPSM8S6C24SEVM Evaluierungsboard verwendet einen nominalen 12 V Bus, um eine geregelte 1,2 V Ausgangsspannung bei bis zu 35 A Laststrom zu erzeugen. Dieses Evaluierungsmodul ermöglicht die Programmierung und Überwachung über die PMBus-Schnittstelle. Das TPSM8S6C24SEVM Board wird in Rechenzentren, Rack-Servern, aktiven Antennensystemen, Remote-Radios, Basisbandeinheiten, automatisierten Testgeräten, MRTs, ASIC, SoC und FPGAs verwendet.Merkmale
- Bewerten Sie das TPSM8S6C24 Leistungsmodul mithilfe der bereitgestellten Testpunkte auf dem evm
- Bewerten Sie die TPSM8S6C24 Gerätekonfiguration und -überwachung mithilfe der Fusion-GUI
- Geregelte 1,2 V Ausgangsspannung
- Bis zu 35 A DC-Ausgangslaststrom
- Bequeme Testpunkte zum Testen kritischer Wellenformen
- PMBus-Anschluss für einfache Verbindung mit dem USB-Adapter
Applikationen
- Aktive Antennensysteme
- Rechenzentrum-Switches und Rack-Server
- Fernfunkgeräte und Basisbandeinheiten
- Automatisierte Testgeräte, CT, PET und MRT
- ASIC-, SoC-, FPGA-, DSP-Kern- und I/O-Spannungen
Schaltschema
Veröffentlichungsdatum: 2024-01-10
| Aktualisiert: 2024-02-01
