Texas Instruments TUSB322I USB Typ-C-Konfigurationssteuerung

Die Texas Instruments TUSB321 USB Typ-C™ Konfigurationskanallogik und Portsteuerung stattet Typ-C-USB-Anschlüsse mit der Konfigurationskanallogik (CC) aus, die für Typ-C Ökosysteme erforderlich ist. Das TUSB322I-Gerät nutzt die CC-Kontakte zur Bestimmung von Portanschluss bzw. -trennung, Kabelausrichtung, Rollenerkennung und Portsteuerung für den Typ-C-Strommodus. Das Gerät kann als Downstream Facing Port (DFP), Upstream Facing Port (UFP) oder Dual Role Port (DRP) konfiguriert werden. Daher eignet sich dieses-Gerät ideal für jede Anwendung. Das TUSB322I-Bauteil wechselt die Konfiguration als DFP oder UFP gemäß den Typ-C-Spezifikationen.

Merkmale

  • USB Typ-CTM Spezifikation 1.1
  • Abwärtskompatibel mit USB Typ-C Spezifikation 1.0
  • Unterstützt Anzeige und Erkennung von Strömen bis zu 3A
  • Moduskonfiguration
    • Nur Host - DFP/Quelle (nur I2C-Modus)
    • Nur Bauteil - UFP/Senke (nur I2C-Modus)
    • Dual-Role Port (DRP)
  • Kanalkonfiguration (CC)
    • Erkennung des USB-Anschlusses
    • Kabelausrichtungserfassung
    • Rollenerkennung
    • Typ-C Strommodus (Standard, Mittel, Hoch)+u
  • VBUS-Erkennung
  • I2C- oder GPIO-Steuerung
  • VCONN-Unterstützung für aktive Kabel
  • Kabelerfassung und Richtungssteuerung für externe Schalter
  • Rollenkonfigurationssteuerung durch I2C
  • Versorgungsspannung: 4,5 V bis 5,5 V
  • Geringer Stromverbrauch
  • Industrieller Temperaturbereich von -40 °C bis 85 °C

Applikationen

  • Host-, Bauteil- oder Dual-Role-Port-Applikationen
  • Mobiltelefone
  • Tablets und Notebooks
  • USB-Peripheriegeräte

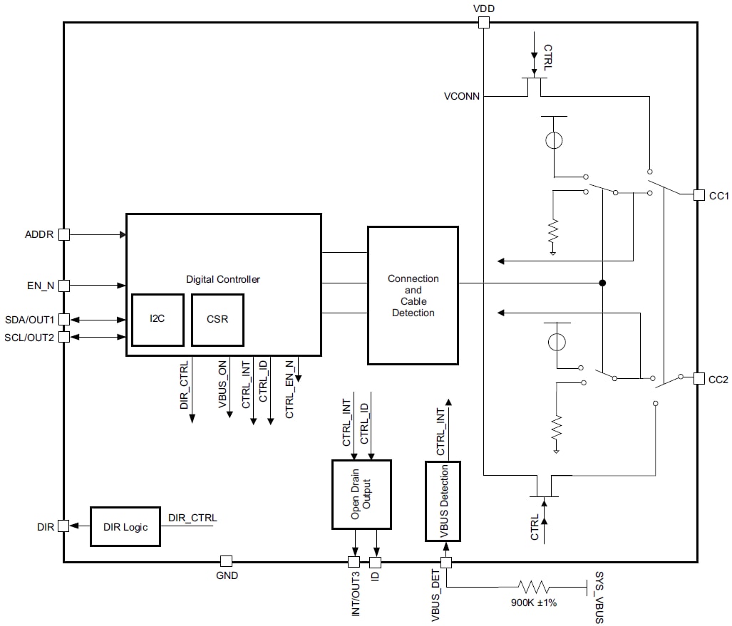
Funktionales Blockdiagramm

Blockdiagramm - Texas Instruments TUSB322I USB Typ-C-Konfigurationssteuerung
Veröffentlichungsdatum: 2016-04-01 | Aktualisiert: 2022-03-11