Texas Instruments TXU0104/TXU0104-Q1 Unidirektionale Pegelwandler
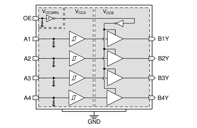
Die TXU0104/TXU0104-Q1 unidirektionalen Pegelwandler von Texas Instruments sind nicht invertierende 4-Bit-Spannungspegelumsetzungs-Bauteile mit fester Richtung und Dual-Versorgung. Die TXU0104-Q1 Pegelwandler sind AEC-Q100-qualifiziert für Fahrzeuganwendungen.Die TXU0104/TXU0104-Q1 unidirektionalen Pegelwandler-Ax-Pins von TI beziehen sich auf den VCCA-Logikpegel. Der OE-Pin kann entweder auf VCCA- oder VCCB-Logikpegel referenziert werden und die Bx-Pins beziehen sich auf die VCCB-Logikpegel. Sowohl der A-Anschluss als auch der B-Anschluss können Eingangsspannungen im Bereich von 1,1 V bis 5,5 V annehmen. Die Datenübertragung in fester Richtung kann von A nach B oder B nach A erfolgen, wenn OE in Bezug auf eine der beiden Versorgungen zu hoch eingestellt ist. Wenn der OE auf niedrig eingestellt ist, befinden sich alle Ausgangspins im Zustand mit hoher Impedanz.
Die TXU0104/TXU0104-Q1 sind in einem VQFN-14- von 3,00 mm × 2,50 mm oder einem TSSOP-14-Gehäuse von 5,00 mm × 4,40 mm verfügbar.
Merkmale
- Gemäß AEC-Q100 für Fahrzeuganwendungen qualifiziert (TXU0104-Q1)
- Vollständig konfigurierbares Doppelschienen-Design ermöglicht den Betrieb der einzelnen Anschlüsse von 1,1 V bis 5,5 V
- Unterstützung von 200 MBit/s für 3,3 V bis 5,0 V
- Schmitt-Trigger-Eingänge lassen langsame oder verrauschte Eingänge zu
- Eingänge mit integrierten statischen Pull-down-Widerständen verhindern, dass Kanäle potentialfrei sind
- Hohe Antriebskraft (bis zu 12 mA bei 5 V)
- Geringer Stromverbrauch
- 2,5 µA max. (25 °C) (TXU0104)
- 3 µA max. (25 °C) (TXU0104-Q1)
- 6 µA (max.) (-40 °C bis +125 °C)
- VCC-Isolierung und VCC-Trennfunktion (Ioff-Float)
- Wenn der VCC-Eingang bei < 100 mV zu liegen kommt, werden alle I/O-Ausgänge deaktiviert und gehen in einen Zustand mit hoher Impedanz über
- Ioff unterstützt den Betrieb im teilweisen Ausschaltmodus
- Steuerlogik (OE) mit VCC(MIN)-Schaltung ermöglicht die Steuerung von entweder A- oder B-Anschluss
- Kompatibel mit Pegelwandlern der TXB-Produktfamilie
- Erhältlich in weiteren Ausführungen, die gängige Applikationen unterstützen:TXU0204, TXU0204-Q1, TXU0304, TXU0304-Q1
- Betriebstemperaturbereich: –40 °C bis +125 °C
- Latch-up-Leistung übertrifft 100 mA gemäß JESD 78, Klasse II
- ESD-Schutz überschreitet JESD 22
- Human-Body-Modell: 2.500 V
- 1.500-V-Charged-Device-Model
Applikationen
- Verhindern langsame oder verrauschte Eingangssignale
- Treiberanzeige-LEDs oder Summer
- Entprellung eines mechanischen Schalters
- Universal-I/O-Pegelverschiebung
- Push-pull-Pegelverschiebung (UART, SPI, JTAG und weitere)
Datenblätter
Funktionales Blockdiagramm
