Texas Instruments TXU0204/TXU0204-Q1 Unidirektionale Pegelwandler
Der TXU0204/TXU0204-Q1 unidirektionale Pegelwandler von Texas Instruments ist ein nicht invertierendes 4-Bit-Spannungspegelumsetzungs-Bauteil mit fester Richtung und Dual-Versorgung. Die TXU0204-Q1 Pegelwandler sind AEC-Q100-qualifiziert für Fahrzeuganwendungen.Die TXU0204/TXU0204-Q1 unidirektionalen Pegelwandler-Ax-Pins von TI beziehen sich auf den VCCA-Logikpegel. Der OE-Pin kann entweder auf VCCA- oder VCCB-Logikpegel referenziert werden und die Bx-Pins beziehen sich auf die VCCB-Logikpegel. Sowohl der A-Anschluss als auch der B-Anschluss können Eingangsspannungen im Bereich von 1,1 V bis 5,5 V annehmen. Die Datenübertragung in fester Richtung kann von A nach B oder B nach A erfolgen, wenn OE in Bezug auf eine der beiden Versorgungen zu hoch eingestellt ist. Wenn der OE auf niedrig eingestellt ist, befinden sich alle Ausgangspins im Zustand mit hoher Impedanz.
Merkmale
- Gemäß AEC-Q100 für Fahrzeuganwendungen qualifiziert (TXU0204-Q1)
- Vollständig konfigurierbares Doppelschienen-Design ermöglicht den Betrieb der einzelnen Anschlüsse von 1,1 V bis 5,5 V
- Unterstützung von 200 MBit/s für 3,3 V bis 5,0 V
- Schmitt-Trigger-Eingänge lassen langsame oder verrauschte Eingänge zu
- Eingänge mit integrierten statischen Pull-down-Widerständen verhindern, dass Kanäle potentialfrei sind
- Hohe Antriebskraft (bis zu 12 mA bei 5 V)
- Geringer Stromverbrauch
- 2,5 µA max. (25 °C) (TXU0204)
- 3 µA (max.) (25 °C) (TXU0204-Q1)
- 6 µA (max.) (-40 °C bis +125 °C)
- VCC-Isolierung und VCC-Trennfunktion (Ioff-Float)
- Wenn der VCC-Eingang bei < 100 mV zu liegen kommt, werden alle I/O-Ausgänge deaktiviert und gehen in einen Zustand mit hoher Impedanz über
- Ioff unterstützt den Betrieb im teilweisen Ausschaltmodus
- Steuerlogik (OE) mit VCC(MIN)-Schaltung ermöglicht die Steuerung von entweder A- oder B-Anschluss
- Kompatibel mit Pegelwandlern der TXB-Produktfamilie
- Erhältlich in weiteren Ausführungen, die gängige Applikationen unterstützen:TXU0104, TXU0104-Q1, TXU0304, TXU0304-Q1
- Betriebstemperaturbereich: –40 °C bis +125 °C
- Latch-up-Leistung übertrifft 100 mA gemäß JESD 78, Klasse II
- ESD-Schutz überschreitet JESD 22
- Human-Body-Modell: 2.500 V
- 1.500-V-Charged-Device-Model
Applikationen
- Verhindert langsame oder verrauschte Eingangssignale
- Treiberanzeige-LEDs oder Summer
- Entprellung eines mechanischen Schalters
- Universal-I/O-Pegelverschiebung
- Push-pull-Pegelverschiebung (UART, SPI, JTAG und weitere)
Datenblätter
Weitere Ressourcen
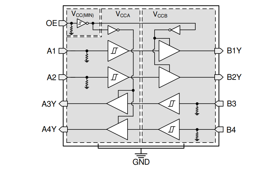
Funktionales Blockdiagramm
Veröffentlichungsdatum: 2021-07-13
| Aktualisiert: 2022-04-28
