Texas Instruments UCC27311A/UCC27311A-Q1 Halbbrückentreiber
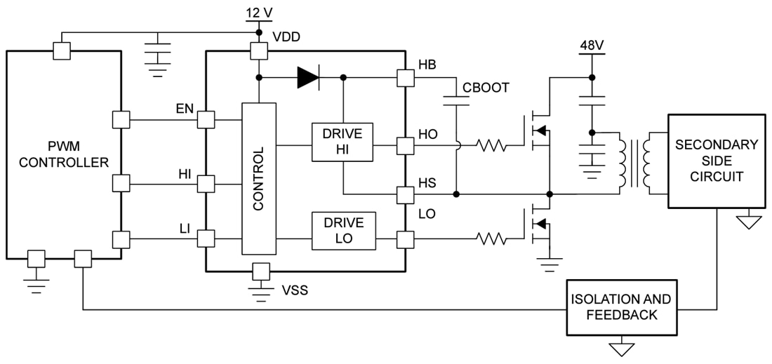
Texas Instruments UCC27311A/UCC27311A-Q1 Halbbrückentreiber sind robuste Gate-Treiber, die zwei n-Kanal-MOSFETs in einer Halbbrücken- oder synchronen Abwärtskonfiguration mit einer absoluten maximalen Bootstrap-Spannung von 120 V ansteuern können. Aufgrund der Quellen-Spitzenstrombelastbarkeit von 3,7 A und Senken-Spitzenstrombelastbarkeit von 4,5 A können UCC27311A/UCC27311A-Q1 große Leistungs-MOSFETs mit minimalen Schaltverlusten während des Übergangs durch das Miller-Plateau ansteuern. Der Schaltknoten (HS-Pin) kann negative Transientenspannungen verarbeiten, wodurch der High-Side-Kanal vor inhärenten negativen Spannungen, die durch Streukapazitäten und parasitäre Induktivität verursacht werden, geschützt werden kann.Die Eingänge sind unabhängig von der Versorgungsspannung und halten den absoluten Höchstwerten von -10 V und +20 V stand. Die Low-Side- und High-Side-Gate-Treiber halten einen Abstand von 4 ns zwischen dem jeweiligen Ein- und Ausschalten ein und werden über die Eingangs-Pins LI bzw. HI gesteuert. Eine 120V-eingestufte Bootstrap-Diode auf dem Chip macht das Hinzufügen diskreter Bootstrap-Dioden überflüssig. Die Unterspannungsabschaltung (UVLO) ist für High-Side- und Low-Side-Treiber vorgesehen und sorgt für ein symmetrisches Ein- und Ausschaltverhalten. Diese Funktion zwingt die Ausgänge auf "low", wenn die Treiberspannung unter dem festgelegten Schwellenwert liegt. Die Bauteile von Texas Instruments UCC27311A-Q1 sind gemäß AEC-Q101 für Fahrzeuganwendungen zugelassen
Merkmale
- Steuert zwei n-Kanal-MOSFETs in einer Halbbrücken-Konfiguration an
- Sperrschichttemperaturbereich: -40 °C bis +150 °C
- 120 V abs maximale Spannung am HB-Pin
- 3,7 A Senke, 4,5 A Quellen-Ausgangsströme
- 8 V bis 17V VDD Betriebsbereich (20 V abs max.) mit UVLO
- - (28-VDD) V abs maximale negative Transientoleranz auf HS-pin (< 100 ns Impuls)
- Integrierte Bootstrap-Diode
- -10 V bis +20 V abs max. Eingangskontakttoleranz, unabhängig vom Versorgungsspannungsbereich (TTL-kompatibel)
- Schaltparameter
- Typische Verzögerungszeiten von 20 ns
- 7,2 ns Anstiegs- und 5,5 ns Abfallzeit mit 1000 pF Last
- Typische Verzögerungsanpassung von 4 ns
- Aktivierungs-/Deaktivierungsfunktion mit geringem Stromverbrauch (3 µA typisch), wenn deaktiviert
Applikationen
- Solarstrom-Optimierer und Mikro-Wechselrichter
- Stromversorgungen für Telekommunikation und Handel
- Online und Offline UPS
- Energiespeichersysteme
- Batterieprüfgeräte
Typisches Applikationsdiagramm
