Texas Instruments UCC27614/UCC27614-Q1 Einkanalige Gate-Treiber

Texas Instruments UCC27614/UCC27614-Q1 Einkanal-Gate-Treiber sind schnelle Low-Side-Gate-Treiber, die MOSFET-, IGBT-, SiC- und GaN-Leistungsschalter ansteuern können. Diese Treiber verfügen über eine Spitzenantriebsstärke von 10 A, die die Anstiegs- und Abfallzeiten der Leistungsschalter reduziert, Schaltverluste senkt und den Wirkungsgrad erhöht. Die schnelle Laufzeitverzögerung des UCC27614 bietet einen besseren Wirkungsgrad der Leistungsstufe durch Verbesserung der Totzeitoptimierung, der Pulsbreitenauslastung, des Regelkreisverhaltens und Einschwingverhalten des Systems. Die UCC27614-Q1 Treiber sind AEC-Q100 für Automobilanwendungen qualifiziert. Diese Treiber werden in Solarstromversorgungen, Hochleistungspuffern, Impulstransformator-Treibern und Telekommunikations-Schaltnetzteilen eingesetzt.

Der UCC27614 von Texas Instruments kann -10 V an seinen Eingängen verarbeiten, was die Robustheit in Systemen mit moderatem Ground Bouncing verbessert. Die Eingänge sind unabhängig von der Versorgungsspannung und können an die meisten Reglerausgänge angeschlossen werden, um ein Maximum an Flexibilität zu gewährleisten. Ein separates Freigabesignal ermöglicht die Steuerung der Leistungsstufe unabhängig von der Hauptsteuerlogik. Der Gate-Treiber kann die Endstufe schnell abschalten, wenn eine Störung im System auftritt (was ein Abschalten des Antriebsstrangs erfordert). Die Freigabefunktion verbessert auch die Robustheit des Systems. Viele Hochfrequenz-Schaltnetzteile weisen ein hochfrequentes Rauschen am Gate des Leistungsgeräts auf, das in den Ausgangspin des Gate-Treibers eingespeist werden und eine Fehlfunktion des Treibers verursachen kann. Der UCC27614 eignet sich aufgrund seiner Fähigkeit, transiente Rückströme und Rückspannungen zu erzeugen, gut für solche Bedingungen.

Der starke interne Pulldown-MOSFET hält den Ausgang niedrig, wenn die VDD-Spannung unter dem angegebenen UVLO-Schwellenwert liegt. Diese aktive Pulldown-Funktion verbessert die Robustheit des Systems weiter. Der 10-A-Treiberstrom des UCC27614-Bausteins im 2 mm × 2 mm-Gehäuse verbessert die Leistungsdichte des Systems. Dieses kleine Gehäuse ermöglicht außerdem eine optimale Platzierung der Gate-Treiber und ein verbessertes Layout.

Merkmale

  • Typische Ausgangsströme von 10 A als Senke und 10 A als Quelle
  • Eingangs- und Freigabepins, die bis zu -10V standhalten können
  • Die absolute maximale VDD-Spannung beträgt 30 V
  • Großer VDD-Betriebsbereich von 4,5 V bis 26 V mit UVLO
  • Erhältlich im 2 mm x 2 mm SON8-Gehäuse
  • Typische Ausbreitungsverzögerung von 17,5 ns
  • EN-pin (Freigabe) im SOIC8-Gehäuse
  • IN-Pin kann für Aktivierungs-/Deaktivierungsfunktionen verwendet werden
  • VDD-unabhängige Eingangsschwellen (TTL-kompatibel)
  • Kann als invertierender oder nichtinvertierender Treiber verwendet werden
  • Sperrschichttemperaturbereich von -40 °C bis 150 °C

Applikationen

  • Schaltnetzteile für die Telekommunikation
  • Blindleistungskompensations-(PFC)-Schaltungen
  • Solarnetzteile
  • Motorantriebe
  • Hochfrequenz-Leitungstreiber
  • Impulstransformator-Treiber
  • Hochleistungs-Buffer

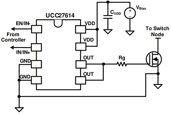
Vereinfachtes Applikationsdiagramm

Applikations-Schaltungsdiagramm - Texas Instruments UCC27614/UCC27614-Q1 Einkanalige Gate-Treiber
Veröffentlichungsdatum: 2022-04-11 | Aktualisiert: 2025-05-15