Texas Instruments UCC278x4/UCC278x4-Q1 Gate-Treiber
Die Gate-Treiber UCC278x4/UCC278x4-Q1 von Texas Instruments sind automotive Hochgeschwindigkeits-Halbbrücken-Treiber 230-V mit einer Treiberstärke von 3,5 A bzw. 4 A und einer Störfestigkeit von bis zu 100 V/ns. Diese Gate-Treiber zeichnen sich durch eine schnelle Ausbreitungsverzögerung und eine hervorragende Verzögerungsgleichheit zwischen beiden Kanälen aus. Die UCC278x4/UCC278x4-Q1 Treiber arbeiten mit einer Versorgungsspannung von 8,5 V bis 20 VDD und in einem Temperaturbereich von -40 °C bis +150 °C. Diese Treiber zeichnen sich außerdem durch einen robusten Antrieb mit ausgezeichneter Störfestigkeit und Transientenimmunität aus. Dazu gehören eine hohe dV/dt-Toleranz (100 V/ns) sowie ein breiter negativer transienten sicherer Wirkbereich (NTSOA). Die UCC27884-Q1 Bauteile sind AEC-Q100-qualifiziert für Fahrzeuganwendungen. Diese Gate-Treiber sind in einem SOIC-8-Gehäuse erhältlich. Die UCC278x4/UCC278x4-Q1 Treiber eignen sich ideal für Motorantriebe (Schrittmotoren Lüfter Elektrowerkzeuge, Roboter, Drohnen und Servos), E-Bikes und E-Scooter, Solar-Boost- und Auf-/Abwärtswandler -MPPT-Regler sowie Mikro-Wechselrichter.Merkmale
- Die UCC278x4-Q1 sind nach AEC-Q100 für Fahrzeuganwendungen qualifiziert:
- Gerät Temperaturklasse 1
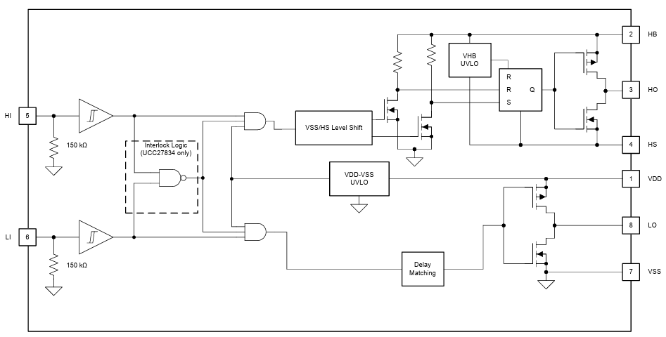
- Zwei unabhängige Eingänge für High-Side- und Low-Side-Treiber ohne Verriegelung
- +230 V (HB-Pin) maximale Bootstrap-Spannung
- Empfohlener Vorspannungsbereich: 8,5 V bis 20 V VDD
- Spitzenausgangsstrom: Quelle 3,5 A und Senke 4 A
- Schnelle Laufzeitverzögerung: 29 ns (typisch)
- Enge Laufzeitverzögerung von <5 ns,="" übereinstimmung="" zwischen="">5>
- 100V/ns dV/dt-Immunität
- Geringer Versorgungsstromverbrauch:
- 150 µA (typisch) auf VDD
- 90 µA (typisch) auf HB
- 8 V integrierter UVLO-Schutz für High- und Low-Side-Kanäle
- Potenzialfreier Kanal, der für den Bootstrap-Betrieb ausgelegt ist
- Verfügbar in einem Standard-SOIC-8-Gehäuse
- -40 °C bis 150 °C spezifizierter Temperaturbereich
Applikationen
- Motorantrieb (Schrittmotoren, Lüfter, Elektrowerkzeuge, Robotik, Drohnen und Servos)
- E-Bikes und E-Scooters
- Solar-Aufwärts- und -Auf-/Abwärtswandler-MPPT
- Mikrowechselrichter
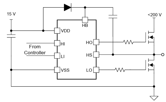
Schaltschema
Blockdiagramm
Datenblätter
Veröffentlichungsdatum: 2026-01-13
| Aktualisiert: 2026-02-18
