Texas Instruments ULN2003ADYYEVM Evaluierungsmodul

Mit dem ULN2003ADYYEVM Evaluierungsmodul von Texas Instruments können Sie die gesamte Leistung und Funktionalität des ULN2003ADYY im Gehäuse DYY SOT-23-THIN testen. Die ULN200xA/ULQ200xA Hochspannungs-Hochstrom-Darlington-Transistor-Arrays bestehen aus sieben NPN-Darlington-Paaren mit Hochspannungsausgängen mit Gleichtakt-Klemmdioden zum Schalten induktiver Lasten.

TI ULN2003ADYYEVM wurde entwickelt, um als eigenständiges Board mit angeschlossener Spannungsversorgung und Ausgangslast verwendet zu werden. Mit diesem Standalone-Board können Sie das ULN2003ADYY testen und bewerten, bevor Sie es als Teil des Stromversorgungssystems einer größeren Anwendung entwickeln. Das ULN2003ADYYEVM ist mit dem ULN2003ADYY SOT (DYY-Version) ausgestattet.

Merkmale

  • Pull-down-Widerstände an jedem Steuereingang, um sicherzustellen, dass die INx-Signale nicht floaten
  • Jumper für parallele Kanäle zur Erhöhung der Strombelastbarkeit
  • Eine zusätzliche Diode ist von OUT7 an COM angeschlossen, um die Rückkopplungsspannung von einer induktiven Last zu unterdrücken, die beim Ausschalten der NPN-Treiber an OUT7 angeregt wird.

Applikationen

  • Relaistreiber
  • Treiber für Schrittmotoren und DC-Bürstenmotoren
  • Treiber für Lampen
  • Display-Treiber (LED und Gasentladung)
  • Leitungstreiber
  • Logik-Buffer

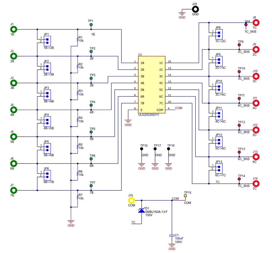
Schaltschema

Schaltplan - Texas Instruments ULN2003ADYYEVM Evaluierungsmodul
Veröffentlichungsdatum: 2025-02-22 | Aktualisiert: 2025-03-06