Toshiba TB67S Stepping Motor Driver ICs
Toshiba TB67S Stepping Motor Driver ICs are available in two-phase unipolar and bipolar variants. These motor drivers integrate a silicon monolithic IC using the BiCD process. The TB67S stepping motor driver ICs feature Pulse Width Modulation (PWM) controlled constant-current drive. These surface-mount or through-hole driver ICs operate at a temperature range of -20°C to +85°C.Features
- Monolithic IC integrated by BiCD process
- PWM-controlled constant-current drive
- Supports full, half, and quarter step resolutions
- Built-in output functions for error detection
- Built-in error detection circuits
- Built-in VCC regulator for internal circuit use
- Customize PWM signal frequency by an external resistance/capacitor
Applications
- All types of printers (3D printer, thermal printer, inkjet printer, receipt printer, ticket printer, and card printer, etc)
- Scanners and copiers
- Robotics
- Surveillance cameras
- Precision actuator control
- ATMs
- Vending machines
- Dispensing machines
- CNC machines
Specifications
- 6.5V to 24V operating supply voltage range
- 1.5A to 5A output current range
- 2.5mA to 8.2mA operating supply current range
- -40°C/-20°C to +85°C operating temperature options
- Available package styles
- DIP-16
- HSSOP-28
- SDIPI-24
- VQFN-48 and VQFN-64
- WQFN-36 and WQFN-48
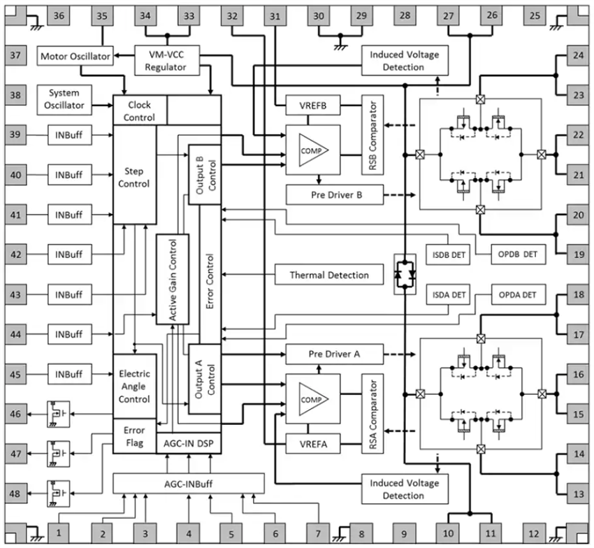
Block Diagram
Veröffentlichungsdatum: 2018-04-19
| Aktualisiert: 2025-10-23
