Toshiba XPQR3004PB 40 V 400 A Automotive-MOSFET
Der Toshiba XPQR3004PB 40 V MOSFET hat einen RDS(ON) von 0,23 mΩ (typisch), eine Fähigkeit von 400 A und eine Schwellenspannung (Vth) von 2 V bis 3 V. Weitere Funktionen umfassen eine maximale Betriebstemperatur von +175 °C und einen maximalen Ableitstrom von 10 µA (VDS = 40 V). Der XPQR3004PB MOSFET von Toshiba wird in einem L-TOGL-Gehäuse angeboten, das eine thermische Impedanz von 0,2 °C/W und 750 W Verlustleistung bietet. Dieses Gerät ist AEC-Q101 zertifiziert und ideal für Fahrzeuganwendungen, Schaltspannungsregler, Motortreiber und DC/DC-Wandler.Technische Daten
- AEC-Q101-qualifiziert
- 400 A (DC) Drainstrom
- 40 V Drain-Source-Spannung
- Verlustleistung: 750 W
- Niedriger Drain-Quellen-Einschaltwiderstand RDS(ON) = 0,23 mΩ (VGS = 10 V) (typisch)
- Thermische Impedanz: 0,2° C/W
- Maximaler Ableitstrom: 10 µA (VDS = 40 V)
- Anreicherungsmodus: 2 V bis 3 V (VDS = 10 V, ID = 1 mA)
- Einzelimpuls-Avalanche-Energie: 624 mJ
- 175 °C maximale Betriebstemperatur
- -55 °C bis +175 °C Lagertemperaturbereich
Applikationen
- Fahrzeug
- Schaltspannungsregler
- Motortreiber
- DC/DC-Wandler
Videos
Schaltzeit-Testschaltung
Gehäuse und interne Schaltung
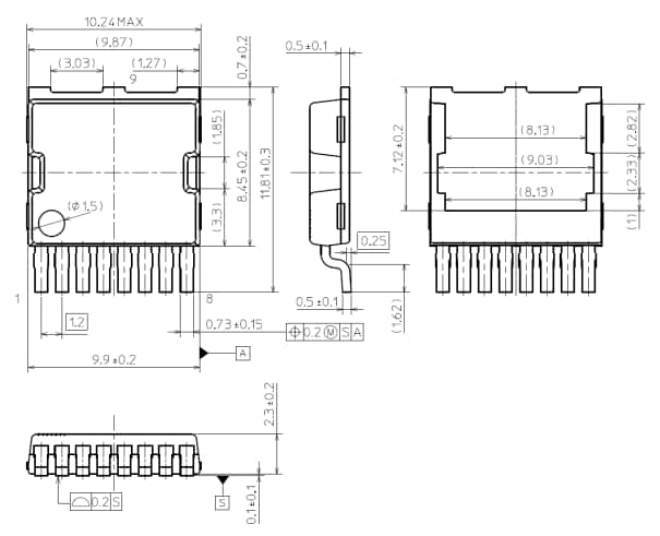
Abmessungen (mm)
Veröffentlichungsdatum: 2023-02-01
| Aktualisiert: 2025-08-06
