TRACO Power TVN 5WI DC-DC Converters
TRACO Power TVN 5WI DC-DC Converters feature a six side shielded metal package with ultra-low ripple and noise. The conducted noise complies with EN 55022 class B and makes these converters the ideal solution for audio, measurement, and detection circuits. The various models feature wide input voltage ranges: TVN5-09xWI - 4.5 to 12VDC, TVN5-24xWI - 9 to 36VDC, and TVN5-48xWI - 18 to 75VDC).Features
- Remote On/Off
- Overvoltage protection
- Under-voltage lockout
- Short circuit protection
- Ultra-low ripple and noise 10mVp-p typ.
- 6-side shielded DIP-24 metal package
- Ultra-wide 4:1 input voltage range
- Operating temperature range -40°C to +85°C without derating
- I/O isolation 1500 VDC
- Adjustable output voltage
- No minimum load required
Applications
- Audio, measurement, and detection circuits
Specifications
- Input Specifications
- Input current at no load: 7mA typ.
- Start-up voltage:
- 24 Vin models: <9.0VDC
- 48 Vin models: <18VDC
- Under voltage shut down (lock-out circuit):
- 24 Vin models: 8.5VDC typ.
- 48 Vin models: 16VDC typ.
- Surge voltage (1 sec):
- 24 Vin models: 50V max
- 48 Vin models: 100V max
- Conducted noise: EN 55022 class B internal filter for 48 Vin models with two 4.7µF/100V MLCC input capacitor in parallel
- ESD: EN 61000-4-2, air ±8kV, contact ±6kV, pref. criteria A
- Radiated immunity: EN 61000-4-3, 20 V/m, perf. criteria A
- Output Specifications
- Voltage set accuracy: ±1%
- Voltage adjustment range:
- Single output models: -10%, +20%
- Dual output models: ±10%
- Regulation:
- Input variation Vin min. to Vin max.: 0.2% max.
- Load variation 0-100%
- Single output models: 0.5% max
- Dual output models: 1% max
- Load cross variation 25% / 100%: 3% max
- Minimum load: Not required
- Temperature coefficient: ±0.02%/K
- Ripple and noise (20MHz bandwidth): 10mVp-p typ.
- Transient response (25% load step change): 250µs typ.
- Short circuit protection: continuous, automatic recovery
- Overload protection: at 170% of lout nom. hiccup mode
- Over-voltage protection: at 135% of Vout nom.
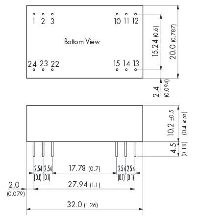
Outline Dimensions
Veröffentlichungsdatum: 2015-03-19
| Aktualisiert: 2022-03-11
