VCC CTH-Baureihe Kapazitive Berührungssensor-Displays

VCC CTH-Baureihe Kapazitive Berührungssensor-Displays

Die kapazitiven Berührungssensor-Displays der CTH-Baureihe von VCC verfügen über eine integrierte Berührungssensor- und Display-Technologie, die eine benutzerfreundlichere und intuitivere Bauteilschnittstelle ermöglicht. Die Displays sind zur Durchsteckmontage geeignet (Industrie-Standardabstand 0,100 Zoll) und in einer Standardgröße von 15 x 15 x 11 mm erhältlich. Typische Applikationen sind mobile Kommunikationsgeräte, elektronische Geräte, Point-of-Sale-Terminals, Spiele und vieles mehr.

Merkmale
  • Integrierte Berührungssensor- und Display-Technologie
  • Ermöglicht eine benutzerfreundlichere Bauteilschnittstelle
  • Befestigungsart: Durchsteckmontage (Industrie-Standardabstand 0,100 Zoll)
  • Erhältlich in einer Standardgröße: 15 x 15 x 11 mm
  • Erhältlich in 5 Farben: Super-rot, Weiß, reines Grün, Blau oder Gelb
  • Berührungssensor: integrierter Schaltkreis (IC)
  • Einheitliche Beleuchtung sowie eine hohe optischer Klarheit
  • Stabile Konstruktion durch das Fehlen von mechanisch beweglichen Teilen
  • Vereinfachtes Bauteildesign und Fertigung
  • Optionale Überlagerung (Icons): Ein/Aus, Pfeil, Alarm
  • RoHS- und REACH-konform
Applikationen
  • Mobile Kommunikationsgeräte
  • Point-of-Sales-Terminals (POS)
  • Industrielle Steuer-Displays
  • Elektronische Geräte
  • Spiele
  • Touchscreen-Monitore
  • Tragbare Geräte
  • Mediaplayer
  • Medizinische Geräte
  • Haushalts- und Verbrauchergeräte



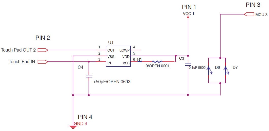
Internes Schaltdiagramm
Internes Schaltdiagramm
eNews
  • VCC
Veröffentlichungsdatum: 2016-12-07 | Aktualisiert: 2023-03-27