Vishay / Barry Industries Hochleistungs-HF-Anschlüsse der TVC-Serie
Die Hochleistungs-HF-Anschlüsse der TVC-Serie von Vishay/Barry Industries bieten eine stabile Impedanz von DC bis 8,4 GHz mit hohen Dauernennleistungen von 5 W bis 250 W. Die TVC-Baureihe verfügt über ein Nur-Top-Eingangspad auf einer Seite und einen Kronenanschluss, der mit dem Vollmetall-Erdungspad auf der Rückseite verbunden wird. Diese Anschlüsse werden in Größen von 1206 bis 3737 entweder in Aluminiumoxid-, ALN- oder BeO-Substraten angeboten und verfügen über einen Betriebsfrequenzbereich von DC bis 8,4 GHz. Verschiedene Anschlussmetallisierungen werden bereitgestellt, um zahlreiche Applikationsanforderungen zu erfüllen. Die Hochleistungs-HF-Anschlüsse der TVC-Baureihe von Vishay/Barry Industries eignen sich hervorragend für Luft- und Raumfahrt- sowie Militärapplikationen.Merkmale
- Bauform des Chip-Endenabschlusses mit halber Umhüllung
- Aluminiumnitrid-Material
- Robuste Dickfilmkonstruktion
- RoHS-konform
Applikationen
- Luft- und Raumfahrt und Militär-RADAR
- Funkkommunikationssysteme für Luft- und Raumfahrt und Militär
- Elektronische Kriegsführungssysteme für Luft- und Raumfahrt und Militär
- Satellitengestützte Kommunikationssysteme
- Basisstationen
- Medizinische Bildverarbeitung
- Prüf- und Messsysteme
Technische Daten
- Gehäusegrößen: 1206 bis 3737
- Widerstandsbereich 10 Ω bis 1 kΩ
- 5 W bis 250 W CW-Nennleistung
- Al2O3 (Aluminiumoxid), AIN- oder BeO-Substrat-Optionen
- DC bis 8,4 GHz Betriebsfrequenzbereich
- -55 °C bis +150 °C Betriebstemperaturbereich
Leistungsabfallkurve
Konfiguration
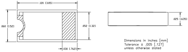
Abmessungen
Weitere Ressourcen
Veröffentlichungsdatum: 2022-09-26
| Aktualisiert: 2024-12-31
