Vishay IHXL1100OZ Induktivitäten zur Durchsteckmontage
Vishay IHXL1100OZ Induktivitäten zur Durchsteckmontage sind je nach Modell in kommerziellen und Automotive-Standarddesigns verfügbar. Diese Induktivitäten verfügen über ein radiales Design, eine magnetisch abgeschirmte Bauweise, eine Induktivitätstoleranz von 10 % und eine hohe Temperaturbeständigkeit von bis zu +155°C. Die IHXL1100OZ Induktivitäten verarbeiten hohe Übergangsstromspitzen ohne Sättigung und verfügen über eine flache Oberfläche für die Montage eines Kühlkörpers oder aktiver Kühlplatten. Die IHXL1100OZ Induktivitäten zur Durchsteckmontage von Vishay eignen sich für Schaltregler, In-Line-Rauschfilter, Differentialmodus-Drosselspulen und DC/DC-Wandler.Merkmale
- AEC-Q200-qualifiziert (nur IHXL1100OZ-3 A Modell)
- Magnetisch abgeschirmte Bauweise
- Flache Oberfläche für die Montage des Kühlkörpers oder der aktiven Kühlplatte
- Verarbeitet hohe Übergangsstromspitzen ohne Sättigung
Applikationen
- Hochstromfilter für Fahrzeuge (nur IHXL1100OZ-3 A Modell)
- Hochstromfilter
- Schaltregler
- In-Line-Rauschfilter
- Differentialmodus-Drosselspule
- Blindleistungskompensations-Aufwärtsdrosselspule
- DC/DC-Wandler 12 V, 24 V, 48 V
- Hochstrom-Batterieladung
Technische Daten
- 1 µH bis 10 µH Induktivitätsbereich
- DCR-Bereich: 0,28 mΩ bis 2,35 mΩ
- Nennstrombereich: 41 A bis 191 A
- Sättigungsstrombereich: 35 A bis 149 A
- Induktivitätstoleranz: 10 %
- -55 °C bis +155 °C Betriebstemperaturbereich
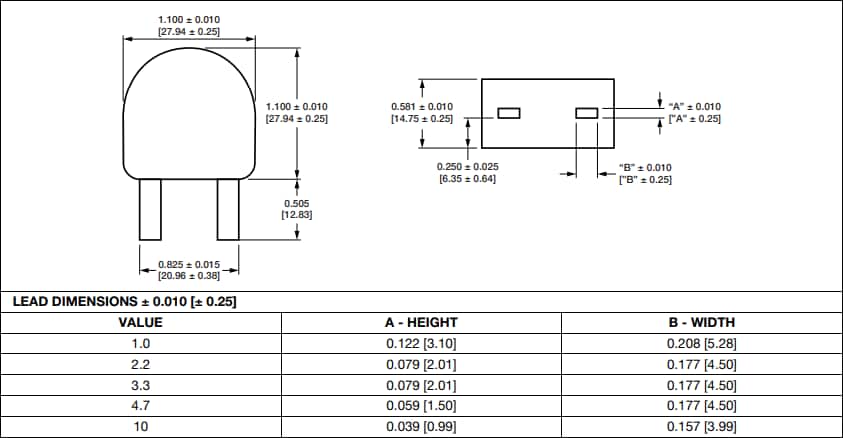
Abmessungen
Datenblätter
Veröffentlichungsdatum: 2024-10-02
| Aktualisiert: 2024-10-14
