Vishay Semiconductors SiC660 60 A VRPower® Integrierte Leistungsstufe
Die integrierte Leistungsstufe SiC660 60 A VRPower® von Vishay Semiconductors ist eine integrierte Hochfrequenz-Leistungsstufe, die für synchrone Abwärtswandleranwendungen ausgelegt ist. Die SiC660 von Vishay Semiconductors bietet hohe Stromstärke, einen hohen Wirkungsgrad und hohe Leistungsdichte mit minimalem Abschaltstrom. Sie ist im kompakten 5 mm x 5 mm MLP-Gehäuse von Vishay untergebracht und unterstützt Spannungsregler, die bis zu 60 A Dauerstrom pro Phase liefern. Ihre internen Leistungs-MOSFETs, die auf der fortschrittlichen TrenchFET® -Technologie von Vishay basieren, reduzieren Schalt- und Leitungsverluste und bieten so eine branchenführende Leistung.Merkmale
- Thermisch verbessertes PowerPAK® -Gehäuse MLP55-31L
- TrenchFET-Technologie und Low-Side-MOSFET mit integrierter Schottky-Diode
- Integrierter Bootstrap-Schalter mit niedriger Impedanz
- Leistungs-MOSFETs optimiert für 12 V-Eingangsstufe
- Unterstützt PS4-Modus-Leichtlastanforderungen mit niedrigem Abschaltversorgungsstrom (5 V, 3 μA)
- Nullstromerkennung für einen verbesserten Wirkungsgrad bei geringer Last
- 5 V und 3,3 V PWM-Logikschaltung mit Tri-State und Hold-Off-Timer
- 5 V DSBL#, ZCD_EN# Logikschaltung mit PS4-Zustandsunterstützung
- Hochfrequenzbetrieb bis zu 2 MHz
- Liefert mehr als 60 A Dauerstrom, 70 A Spitze (10 ms) und 100 A Spitze (10 μs)
- Überstromschutz
- Übertemperaturanzeige
- Überhitzungsschutz
- Unterspannungssperre
- High-Side-MOSFET-Kurzschlusserkennung
- Effektive Überwachung und Berichterstattung
- Genaue Temperaturmeldung
- Warn- und Störungsmeldeanzeigen
Applikationen
- Mehrphasige VRDs für Computer, Grafikkarten und Speicher
- Stromversorgung für Intel Core-Prozessoren
- VCORE, VGRAPHICS, VSYSTEM AGENT, VCCGI
- Bis zu 16 V DC/DC-VR-Module mit Schieneneingang
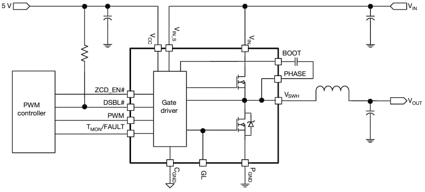
TYPISCHE APPLIKATION
Veröffentlichungsdatum: 2024-11-19
| Aktualisiert: 2025-01-01
