Wolfspeed 2.300-V-Siliziumkarbid-Leistungsmodule

Wolfspeed 2.300-V-Siliziumkarbid-Leistungsmodule sind die branchenweit erste Produktfamilie von 2.300-V- Siliziumkarbid-Leistungsmodulen ohne Grundplatte für V-Bus-Applikationen von 1.500 V. Diese Ergänzung zur WolfPACK™ Produktfamilie vonWolfspeed ermöglicht es Solar-, Energiespeicher- und Mega-Watt-EV-Ladeunternehmen, die Leistung zu maximieren und gleichzeitig Stücklisten-, Produktions- und Wartungskosten für die Systeme des Benutzers zu reduzieren.

Merkmale

  • Ultrageringer Verlust
  • Hochfrequenzbetrieb
  • Kein Ausschalt-Nachlaufstrom vom MOSFET
  • Normalerweise ausgeschalteter, ausfallsicherer Gerätebetrieb
  • Aluminiumnitrid-Substrat
  • Optionales, bereits aufgebrachtes Wärmeableitungsmaterial
  • Ermöglicht kompakte, leichte Systeme
  • Ermöglicht eine zweistufige Umwandlung für 1.500-VDC-Systeme
  • Erhöhter Systemwirkungsgrad durch geringe Schalt- und Leitungsverluste von SiC
  • Reduzierte thermische Anforderungen und Systemkosten

Applikationen

  • DC-Schnellladegeräte
  • Energiespeichersysteme
  • Wandler/Wechselrichter mit hohem Wirkungsgrad
  • Erneuerbare Energien
  • Intelligentes Stromnetz/netzgebundene verteilte Generierung
  • Solar-Wechselrichter

Videos

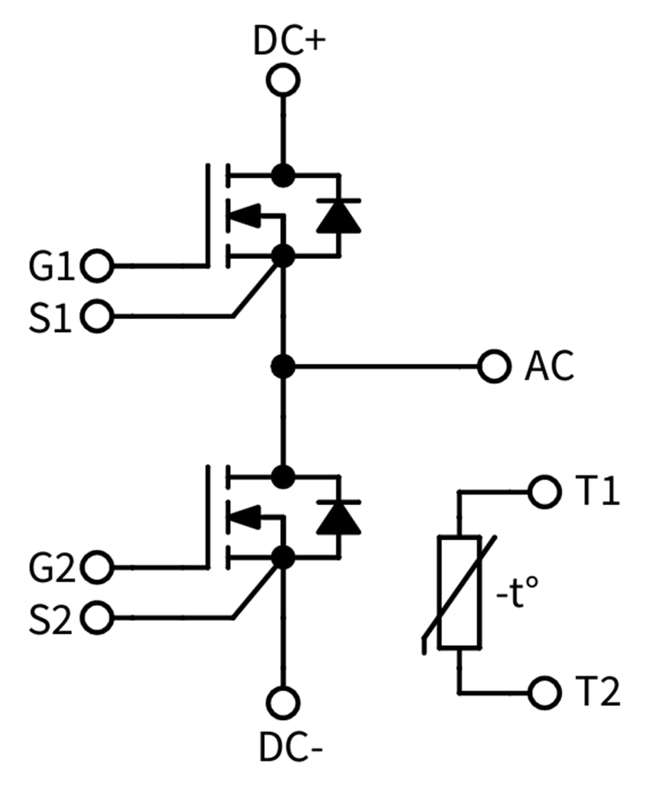
Schaltplan

Applikations-Schaltungsdiagramm - Wolfspeed 2.300-V-Siliziumkarbid-Leistungsmodule
View Results ( 6 ) Page
Teilnummer Datenblatt Beschreibung
CAB5R0A23GM4T CAB5R0A23GM4T Datenblatt Diskrete Halbleitermodule SiC, Module, 5mohm, 2300V, 48 mm, AlN GM4, Half-Bridge, Industrial, Pre-Applied TIM
CAB6R0A23GM4 CAB6R0A23GM4 Datenblatt Diskrete Halbleitermodule SiC, Module, 6mohm, 2300V, 48 mm, AlN GM4, Half-Bridge, Industrial
CAB5R0A23GM4 CAB5R0A23GM4 Datenblatt Diskrete Halbleitermodule SiC, Module, 5mohm, 2300V, 48 mm, AlN GM4, Half-Bridge, Industrial
CAB6R0A23GM4T CAB6R0A23GM4T Datenblatt Diskrete Halbleitermodule SiC, Module, 6mohm, 2300V, 48 mm, AlN GM4, Half-Bridge, Industrial, Pre-Applied TIM
CAB7R5A23GM4T CAB7R5A23GM4T Datenblatt Diskrete Halbleitermodule SiC, Module, 7.5mohm, 2300V, 48 mm, AlN GM4, Half-Bridge, Industrial, Pre-Applied TIM
CAB7R5A23GM4 CAB7R5A23GM4 Datenblatt Diskrete Halbleitermodule SiC, Module, 7.5mohm, 2300V, 48 mm, AlN GM4, Half-Bridge, Industrial
Veröffentlichungsdatum: 2024-08-29 | Aktualisiert: 2025-03-12