Analog Devices Inc. LTC2971 DC2874A-Demonstrationsboard
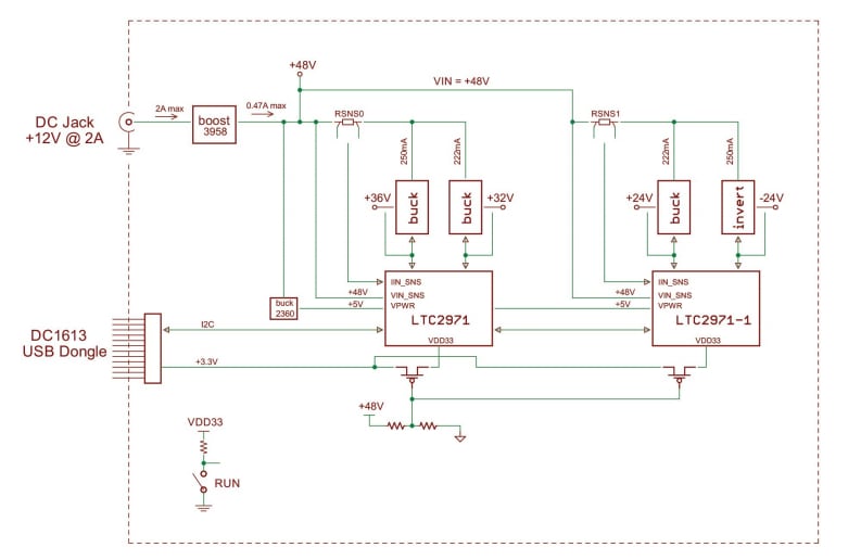
Das Analog Devices Inc. LTC2971 DC2875A-Demonstrationsboard ist ein Demonstrationssystem für den LTC2971 Leistungssystemmanager, der mit verschiedenen Reglern verbunden werden kann. Dieses Board besteht aus allen Schaltungen, die zur Demonstration eines Leistungssystems erforderlich sind, das zwei LTC2971 Zweikanal-Bauteile verwendet, die vier Netzteile verwalten. Die vier Netzteile umfassen verschiedene Schaltregler zum Zweck der Demonstration verschiedener Methoden zur Messung von Spannung und Strom. Das DC2875A Demonstrationsboard bietet ein hochentwickeltes, digital-programmierbares Vierkanal-Stromversorgungssystem. Das DC2875A demonstriert die Sequenzierungs-, Trimm-, Begrenzungs-, Überwachungsfunktionen dieser Bauteile und protokolliert Fehler für vier Netzteile. Dieses Demonstrationsboard enthält vier unabhängige Stromversorgungsschienen, die auf DC/DC-Schaltreglern basieren.Merkmale
- Sequenzierung, Trimmung, Begrenzung und Überwachung von vier Netzteilen
- Fehlerverwaltung, Telemetrieüberwachung und Fehlerprotokollerstellung
- PMBus-konformer Befehlssatz
- Unterstützt durch die LTpowerPlay-GUI
- Begrenzen oder Trimmen von Versorgungen mit einer Genauigkeit von 0,25 %
- Vier IOUT- und zwei IIN-Monitore
- Eingangsleistungsmessung und Energieakkumulation
- Schnelle OV/UV-Wächter pro Kanal
- Mehrkanal-Fehlermanagement
- Automatische Fehlerprotokollierung zu internem EEPROM
- Eigenständiger Betrieb ohne zusätzliche Software
- Überwachung von Spannung, Strom, Leistung und Temperatur
- Zeitbasierter Zweikanal-Ausgangssequenzer
- Serielle I2C-/SMBus-Schnittstelle
- Wird von 8 V bis 18 V betrieben
Applikationen
- Computers and network servers
- Industrial test and measurement
- High-reliability systems
- Video and medical imaging
Erforderliche Ausrüstung
- +12VDC power supply
- USB-to-I2C/SMBus/PMBus controller (DC1613)
- LTpowerPlay Software
Übersicht
Blockdiagramm
Resources
Veröffentlichungsdatum: 2020-09-18
| Aktualisiert: 2024-11-08
