Analog Devices Inc. EVAL-LT7170 Evaluierungsboards
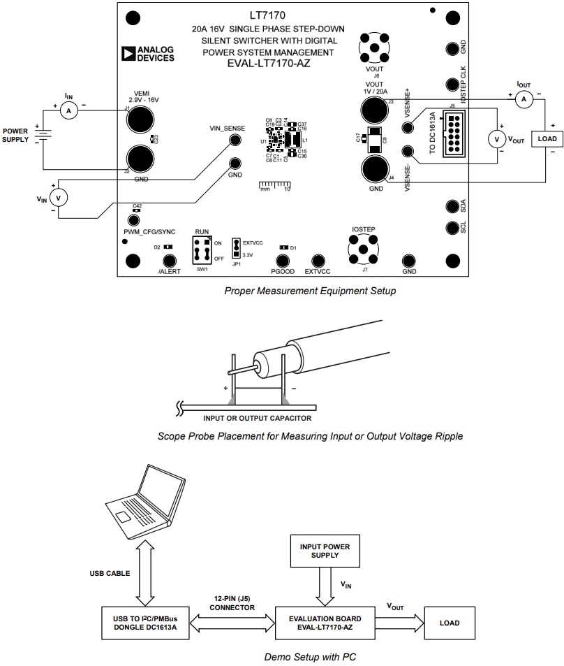
Die Analog Devices Inc. EVAL-LT7170 Evaluierungsboards sind zur Evaluierung der monolithischen synchronen DC/DC-Abwärtsregler der Baureihe LT7170/LT7170-1 konzipiert. Diese Evaluierungsboards eignen sich hervorragend für einen Ausgang von 1 V mit einer Schaltfrequenz, die auf 1 MHz eingestellt ist. Die EVAL-LT7170-Boards bestehen aus EMI-Filtern, die für verbesserte geführte und abgestrahlte EMI-Leistung installiert sind. Die Evaluierungsboards erzeugen eine Leistung basierend auf der NVM-Konfiguration, ohne dass eine serielle Buskommunikation erforderlich ist, was eine einfache Evaluierung des DC/DC-Wandlers ermöglicht. Die EVAL-LT7170-Boards verfügen über einen maximalen Dauerlaststrom von 20 A, einen Eingangsspannungsbereich von 2,9 V bis 16 V und einen Schaltfrequenzbereich von 0,925 MHz bis 1,075 MHz.Merkmale
- Evaluiert die monolithischen synchronen DC/DC-Abwärtsregler der Baureihe LT7170/LT7170-1
- Standard-Ausgangsspannung von 1 V
- 2,9 V bis 16 V Eingangsspannungsbereich
- Maximaler Dauerausgangsstrom von 20 A
- Schaltfrequenzbereich von 0,925 MHz bis 1,075 MHz
Einrichtung des Evaluierungsboards
Leistungsdiagramm
Datenblätter
Veröffentlichungsdatum: 2024-07-15
| Aktualisiert: 2024-07-29
