Analog Devices Inc. EVAL-LT7171 Evaluierungsboards
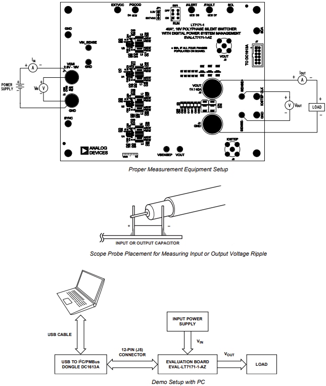
Die Analog Devices Inc. EVAL-LT7171 Evaluierungsboards sind zur Evaluierung der monolithischen synchronen PolyPhase-DC/DC-Abwärtsregler der Baureihe LT7171/LT7171-1 konzipiert. Diese Evaluierungsboards eignen sich hervorragend für einen 1-V-Ausgang mit einer Schaltfrequenz, die auf 1 MHz eingestellt ist. Die Boards der Baureihe EVAL-LT7171 verfügen über einen Eingangsspannungsbereich von 2,9 V bis 16 V, einen maximalen Dauerausgangsstrom von 40 A und eine Standard-Ausgangsspannung von 1 V. Diese Evaluierungsboards werden mit den Standardeinstellungen betrieben und erzeugen eine Leistung basierend auf der NVM-Konfiguration ohne serielle Bus-Kommunikation.Merkmale
- LT7171/LT7171-1 monolithische synchrone PolyPhase-DC/DC-Abwärtsregler
- Standard-Ausgangsspannung von 1 V
- Schaltfrequenzbereich von 0,925 MHz bis 1,075 MHz
- Maximaler Dauerausgangsstrom von 40 A
- 2,9 V bis 16 V Eingangsspannungsbereich
Einrichtung des Evaluierungsboards
Leistungsdiagramm
Datenblätter
Veröffentlichungsdatum: 2024-07-15
| Aktualisiert: 2024-07-29
