Analog Devices Inc. MAX22217 Magnettreiber
Analog Devices Inc. MAX22217 Magnettreiber sind für die Steuerung von induktiven Lasten wie Ein-Aus-Magnetventilen, DC-Motoren, Proportionalventilen, bi-stabilen Ventilen und Relais vorgesehen. Diese Treiber sind mit vier programmierbaren 36 V Halbbrücken ausgestattet. Die MAX22217 Magnetventile arbeiten in einem Umgebungstemperaturbereich von -40°C bis 125°C. Diese Treiber enthalten Funktionen zur Optimierung der Steuerung von Magneten und Motorantrieben. Der MAX22217 verfügt über Schutzschaltungen, einschließlich Überstromschutz (OCP), Übertemperaturschutz (OTP) und Unterspannungsabschaltung (UVLO . Diese Treiber werden in TQFN32 5 mm x 5 mm Gehäusen angeboten. Die MAX22217 Treiber sind ideal für ein- und ausschaltbare Magnetventile und Relais, DC-Motoren, Proportionalventile, bi-stabile, selbsthaltende Magnetventile, digitale Ausgangsschnittstellen und elektromechanische Motorbremsen.Merkmale
- Vier seriell gesteuerte 36 V-Halbbrücken:
- 0,55 A DC (TA = 25 °C) und 1 A Gesamtstrombelastbarkeit
- Niedriger RON für hohe Effizienz
- Hohe Flexibilität:
- Unabhängige Kanaleinstellung
- High-Side/Low-Side/Bridge-Tied Lastkonfiguration/Parallelmodus unterstützt
- Fortschrittliche Steuerungsmethoden:
- Spannungs-/Stromantriebsregelung
- Zweistufiger Sequenzer für Stromeinsparungen
- DC-Motorantrieb mit Strombegrenzer
- Dithering-Funktion
- Ramp-up/down-Steuerung
- Entmagnetisierungs-Spannungssteuerung
- Integrierte Strommessung
- Diagnosefunktionen:
- Reaktions- und Bewegungszeitmessung
- Erkennung von Kolbenbewegungen
- Erkennung von offenen Lasten
- Induktivitätsmessung
- Digitaler Strommesswächter
- Vollständiger Satz an Schutzfunktionen:
- Überstromschutz
- Thermischer Schutz
- Unterspannungssperre
Applikationen
- Magnetventile Ein-Aus-Ventile und Relais
- DC-Motoren
- Proportionalventile
- Bistabile Magnetventile mit Verriegelung
- Schalttreiber mit Echtzeit-Strommessung
- Digitale Ausgangsschnittstelle
- Elektromechanische Motorbremse
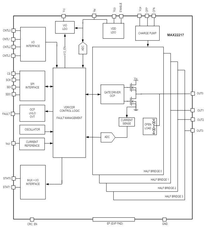
Blockdiagramm
Veröffentlichungsdatum: 2024-07-10
| Aktualisiert: 2024-07-24
