Analog Devices / Maxim Integrated MAX22212 DC-Motortreiber
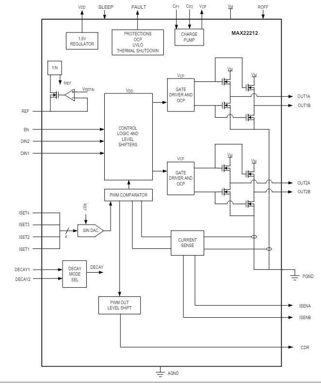
Analog Devices/Maxim Integrated MAX22212 DC-Motortreiber integrieren eine 36 V, 7,6 AMAX Hochstrom-H-Brücke, um einen DC-Bürstenmotor oder einen halben Schrittmotor anzutreiben. ie integrierten H-Bridge-FETs weisen eine außergewöhnlich niedrige Impedanz auf, was zu einer Ansteuerung mit hohem Wirkungsgrad und minimaler Wärmeentwicklung führt. Der typische gesamte RON (High-Side- und Low-Side) beträgt 0,125 Ω. Die Pulsweitenmodulation (Pulse-Width Modulation, PWM) der H-Brücke wird über drei Logikeingänge erreicht: DIN1, DIN2 und EN. Die MAX22212 Treiber verfügen über eine präzise Stromantriebsregelung (Current-Drive Regulation, CDR), um den Einschaltstrom eines DC-Bürstenmotors zu begrenzen oder den Phasenstrom für den Schrittbetrieb zu steuern. Diese Treiber unterstützen vier verschiedene Abklingmethoden: langsamen Verfall, schnellen Verfall und zwei gemischte Abklingmodi. Typische Applikationen sind Schrittmotortreiber, DC-Bürstenmotortreiber, Magnettreiber und verriegelte Ventile.Merkmale
- Eine H-Brücke mit einer Nennspannung von +36 V:
- Gesamter RDS(ON) (High-Side und Low-Side): 125 mΩ (typisch) (TA = 25 °C)
- Nennstrom pro H-Brücke (typisch bei TA = 25 °C):
- IFS_MAX = 7,6 A (maximale Vollskalenstromeinstellung für interne Stromantriebsregelung)
- IRMS = 4 ARMS empfohlener maximaler RMS-Strom
- Schutzfunktionen:
- Überstromschutz für jeden Kanal (OCP)
- Unterspannungssperre (UVLO)
- Thermische Abschaltung TJ = 165 °C (TSD)
- Erhältlich in einem 5 mm x 5 mm TQFN32-Gehäuse oder in einem 284.4mm x 9,7 mm TSSOP-Gehäuse
- Integrierte Stromregelung
- Vollständiger DAC-Strom programmierbar mit externem Widerstand
- Interne Stromsensoren (ICs) machen externe sperrige Widerstände unnötig und verbessern den Wirkungsgrad
- Ausgangs-Pin (CDR-Pin) zur Überwachung der Stromregelung
- Integrierter DAC stellt den Ausgangsstrom zwischen 16 Stufen ein
- Vier Abklingmodi werden unterstützt (langsam, schnell und zwei gemischte Modi)
- Feste Ausschaltzeit konfigurierbar mit einem externen Widerstand
- Strommessausgang (aktueller Monitor)
- Fehleranzeige-Pin (FAULT)
- Stromsparmodus (Schlafmodus)
Applikationen
- Schrittmotortreiber
- DC-Bürstenmotortreiber
- Solenoid-Treiber
- Verriegelte Ventile
Funktionales Blockdiagramm
Veröffentlichungsdatum: 2024-06-28
| Aktualisiert: 2024-08-05
