Analog Devices / Maxim Integrated TMC2225 Schritttreiber
Der Schritttreiber TMC2225 von Analog Devices Inc. bietet eine integrierte Motortreiberlösung für 3D-Druck, Kameras, Scanner und andere automatisierte Anwendungen. Der TMC2225 ist mit der StealthChop Silent Drive-Technologie ausgestattet, die einen geräuschlosen Betrieb, maximale Effizienz und das beste Motordrehmoment gewährleistet. Eine schnelle Stromregelung und die optionale Kombination mit SpreadCycle ermöglichen eine hochdynamische Bewegung. Integrierte Power-MOSFETs verarbeiten einen Motorstrom von bis zu 1,4 ARMS. Schutz- und Diagnosefunktionen unterstützen einen robusten und zuverlässigen Betrieb. Eine einfach zu bedienende UART-Schnittstelle eröffnet Ihnen weitere Abstimmungs- und Steuerungsmöglichkeiten. Anwendungsspezifische Einstellungen können im OTP-Speicher (One-Time Programmable) gespeichert werden.Der TMC2225 Schrittmotortreiber von ADI wird in einem HTSSOP-Gehäuse mit einem freiliegenden Pad für eine hohe thermische Leistung angeboten.
Merkmale
- Step-/Dir-Treiber für bipolare Zweiphasen-Schrittmotoren mit einem Spulenstrom (Spitze) bis zu 2 A.
- STEP-/DIR-Schnittstelle mit einer Pin-Einstellung von 4, 8, 16 oder 32 Mikroschritten
- Reibungsloser Betrieb von 256 Mikroschritten durch MicroPlyer™-Interpolation
- Leiser StealthChop2™-Motorbetrieb
- Hochdynamischer SpreadCycle™-Chopper für dieMotorsteuerung
- Pin-Auswahl für Chopper-Schema
- Niedriger RDS (on) bei 25 °C
- Low-Side: 280mΩ
- High-Side-290mΩ
- 4,75 VV bis 36,0 VVDC Spannungsbereich
- Option zur automatischen Standby-Stromreduzierung
- Interne Messwiderstand-Option (keine Messwiderstände erforderlich)
- Passives Bremsen und Freilauf
- Einzeldraht-UART und OTP für erweiterte Konfigurationsoptionen
- Integrierter Impulsgenerator für eigenständige Bewegung
- Vollständiger Schutz und Diagnosefunktionen
- HTSSOP28-Gehäuse
- RoHS-konform
Applikationen
- 3D-Drucker
- Drucker
- Kassensysteme
- Büro- und Hausautomatisierung
- Nähmaschinen
- CCTV
- Sicherheit
- Geldautomaten
- Ein-/Auszahlungsgeräte
- Heizung, Lüftung, Klimatechnik (HLK)
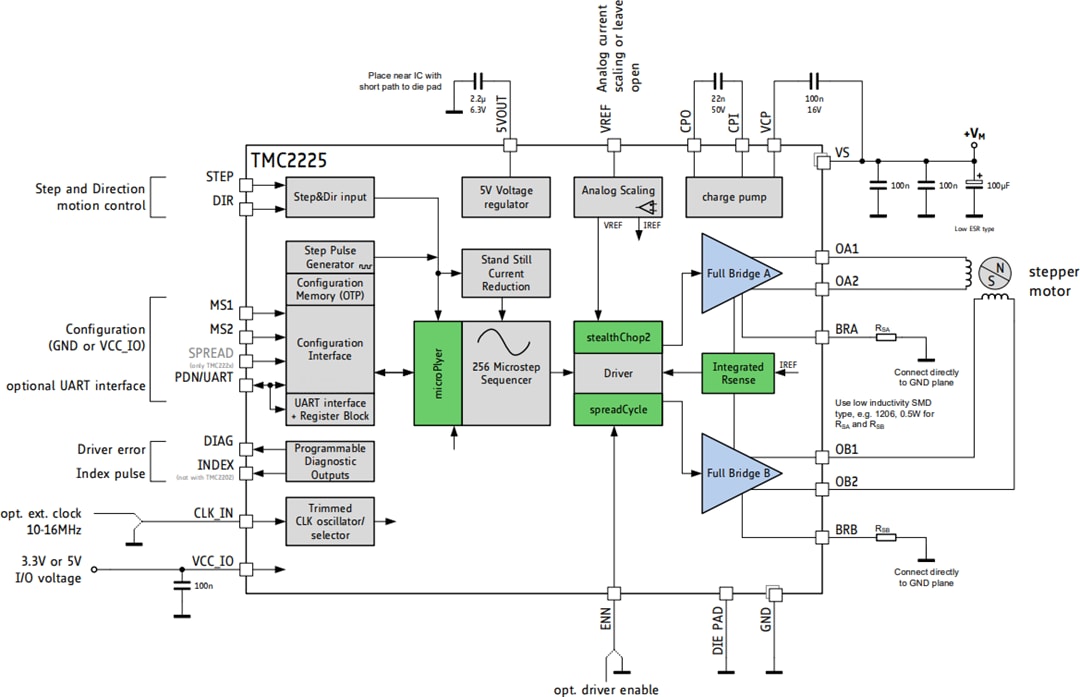
Blockdiagramm
Typische Applikations-Schaltung
Gehäuseabmessungen
Videos
Veröffentlichungsdatum: 2021-03-29
| Aktualisiert: 2026-02-03
