Analog Devices / Maxim Integrated TMC2225-BOB Breakout-Board
Das TMC2225-BOB Breakout Board von Analog Devices Inc. ist ein kompaktes Referenzdesign-Board für den TMC2225 Schritttreiber. Das TMC2225 bietet eine integrierte Motortreiberlösung für 3D-Druck, Kameras, Scanner und andere automatisierte Anwendungen. Das TMC2225 ist mit der StealthChop Silent Drive Technologie ausgestattet, die einen geräuschlosen Betrieb, maximale Effizienz und das beste Motordrehmoment gewährleistet.Das TMC2225-BOB Breakout Board enthält einen vorinstallierten ADI TMC2225 Schritttreiber in einem HTSSOP28-Gehäuse, zusammen mit Unterstützungsschaltungen und Status-LEDs. Das Breakout Board verfügt außerdem über Stiftleisten, die Zugang zu allen wichtigen Pin-Signalen bieten.
Das TMC2225-BOB wurde entwickelt, um Benutzern die Möglichkeit zu geben, ein schnelles Prototyping für ihre Applikationen durchzuführen, so dass sie sofort überprüfen können, wie der Motor mit dem TMC2225 funktioniert, während sie gleichzeitig die Software der Applikation entwickeln.
Merkmale
- TMC2225-SA Schrittmotortreiber
- Versorgungsspannung 5 V bis 28 V
- Iphase bis zu 1,4 ARMS
- Leiser Betrieb mit StealthChop™
- Konfiguration und erweiterte Diagnosefunktionen über UART
- Steuerung über Step-/Dir-Schnittstelle
- Kompakte PCB von 1,0 Zoll x 1,0 Zoll (25,4 mm x 25,4 mm)
- Zwei 10-Pin-Stiftleisten von 0,1 Zoll (2,54 mm) für Pin-Signale
Board-Layout
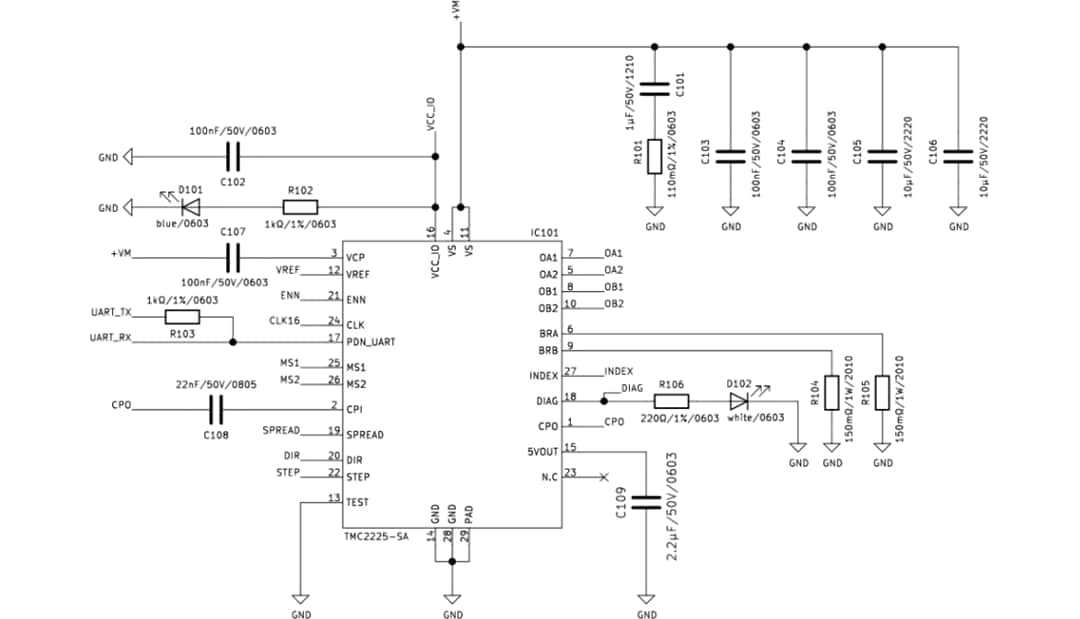
Schaltplan
Videos
Veröffentlichungsdatum: 2021-03-29
| Aktualisiert: 2026-02-03
