Microchip Technology MCP14T0517 Push-Pull Transformator Treiber
Microchip Technology MCP14T0517 Push-Pull-Transformatortreiber sind für kompakte, isolierte Stromversorgungen ausgelegt, die mit einem Eingang von 3 VDC bis 5,5 VDC betrieben werden. Die Microchip MCP14T0517-Treiber integrieren zwei Leistungs-MOSFETs und sind in der Lage, Gegentakt-Transformatoren mit Mittelanzapfung direkt von der Versorgungsspannung anzusteuern. Die Bauteile verfügen über einen internen Oszillator, gefolgt von einer Gate-Treiberstufe, die komplementäre Ausgänge für massebezogene N-Kanal-Leistungsschalter liefert. Jeder Schalter beinhaltet eine kontrollierte Spannungs-Anstiegsgeschwindigkeit, und der Oszillator verwendet Frequenz-Dithering, um EMI zu reduzieren. Ein externer Taktgeber kann auch verwendet werden, wenn eine präzise harmonische Platzierung oder Synchronisation mit mehreren Transformator-Treibern erforderlich ist.Zu den integrierten Fähigkeiten gehören eine typische 2,5 A Spitzenstrombegrenzung eine Unterspannungssperre (UVLO), eine thermische Abschaltung und eine Totzeitsteuerung für die Bauteile. Eine Sanftanlauffunktion ist integriert, um den Einschaltstrom beim Start zu begrenzen, insbesondere wenn große Ausgangskondensatoren vorhanden sind. Es stehen zwei Umschaltoptionsfrequenzen zur Verfügung: MCP14T0517A arbeitet mit 150 kHz für reduziertes EMI und MCP14T0517B arbeitet mit 450 kHz für Designs die ein kleineres Transformatoren erfordert. Die MCP14T0517-Treiber werden in einem kompakten 6-Pin-SOT-23-Gehäuse angeboten und sind für den Betrieb in einem Temperaturbereich von -40 °C bis +125 °C spezifiziert.
Merkmale
- Integrierte Leistungschalter für Push-Pull-Topologie
- Versorgungsspannungsbereich 3.0 V bis 5,5 V
- 1,7 A Peak-Antriebsstromfähigkeit
- 150 kHz oder 450 kHz Schaltfrequenzoptionen
- Überstrom- und Übertemperaturschutz
- Externer Taktgeber zur Synchronisierung mehrerer Geräte
- Unterspannungssperre (UVLO)
- Funktion aktivieren
- Interne Sanftanlauffunktion
- Niedriger Abschaltstrom: <1 µa="" (typischer)="">1>
- Sperrschicht-Betriebstemperaturbereich zwischen -40 °C und +125 °C
- 6-lead SOT23-6-Gehäuse
- AEC-Q100 Fahrzeug
- RoHS-konform
Applikationen
- Isolierte Stromversorgungen für SiC/Si-MOSFETs und IGBTs
- Vorspannungsgeneratoren für isolierte Kommunikationsschnittstellen (CAN, LIN, USB usw.)
- Vorspannungsgeneratoren für isolierte Sensorschaltungen
Technische Daten
- +6 V absolute maximale Versorgungsspannung
- +15 V Absolute maximale Spannung an den Pins D1 und D2
- Absoluter maximaler Schaltstrom: 3,5 APEAK
- 0,5 W absoluter maximaler Leistungsverlust
- Betriebsspannungsbereich VDD: 3 V bis 5,5 V
- 1,5 A Betriebs-Ausgangsschaltstrom
- Eingänge
- 3 V bis 5,5 V Vorspannungsbereich
- Vorspannungsströme
- 7 mA maximal für MCP14T0517A 4,5 mA typisch
- 9 mA maximal für MCP14T0517B 7 mA typisch
- 1 µA maximaler Schlafstrom
- UVLO-Schwelle
- 2,95 V maximal positiv
- 2,65 V minimal negativ
- UVLO-Schwellenwert Hysteresebereich: L75 mV und 125 mV
- Logikschaltung der EN- und SYNC-Pins
- 0,7 V für „hoch“
- 0,3 V für „niedrig“
- Ableitstrom
- 15 µA Maximum am EN-Pin
- 1 µA Maximum am SYNC-Pin
- 1 µA maximal an den Pins D1 und D2
- Integrierte Netzschalter
- Schalter ON-Widerstand bei 0,5 A
- Maximal 200 mΩ bei 5 V
- Maximal 350 mΩ bei 3 V
- Typische Spannungsanstiegsrate an D1 und D2: 60 V/µs
- 50 ns typische Totzeit
- Schalter ON-Widerstand bei 0,5 A
- Oszillator
- Schaltfrequenzbereiche
- 140 kHz bis 160 kHz für MCP14T0517A
- 420 kHz bis 480 kHz für MCP14T0517B
- Externes Synchronisationssignal am SYNC-Pin
- 60 kHz bis 1.200 kHz Frequenzbereich
- Tastverhältnisbereich von 10 % zu 90 %
- Schaltfrequenzbereiche
- Überhitzungsschutz
- +170 °C typische Temperatur
- +20 °C typische Hysterese
- Thermischer Widerstand +190,5 °C gemäß dem Standard EIA/JESD51-3
- ESD-Bewertungen
- ±5.000 V Human Body Model (HBM) gemäß ANSI/ESDA/JEDEC JS-001 alle Pins
- ±2.000 V Charged-Device Model (CDM) per JEDEC Technische Daten JESD22-C101 alle Pins
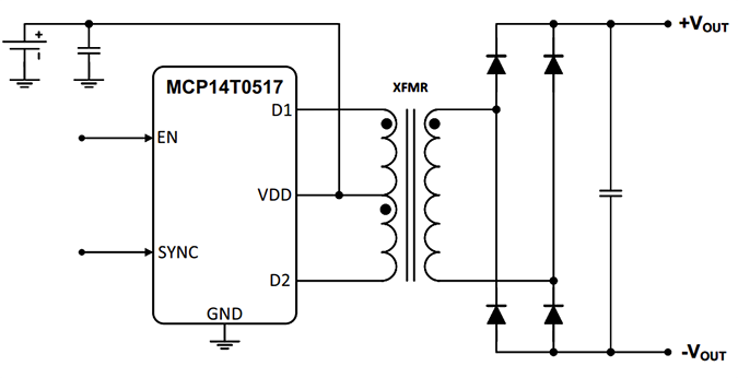
Typisches Applikations-Schaltung
Funktionales Blockdiagramm
Veröffentlichungsdatum: 2026-01-20
| Aktualisiert: 2026-02-02
