Nexperia BSH205G2 20V p-Kanal-Trench-MOSFET
Der NXP p-Kanal-Trench-MOSFET ist ein Verbesserungsmodus-Feldeffekt-Transistor (FET) in einem kleinen SOT23 (TO-236AB) Kunststoffgehäuse zur Oberflächenmontage. Er verwendet die Trench-MOSFET-Technologie und bietet eine Spannung mit niedrigem Schwellenwert und eine sehr hohe Schaltgeschwindigkeit. Dieser MOSFET eignet sich hervorragend für Relais-Treiber, Hochgeschwindigkeits-Leitungstreiber und Schaltkreisanwendungen.The Nexperia BSH205G2 20V P-Channel Trench MOSFET is AEC-Q101 qualified and suitable for use in automotive applications.
Merkmale
- AEC-Q101 qualified
- Enhanced power dissipation capability of 890mW
- Trench MOSFET technology
- Low on-state resistance
- Low threshold voltage
- -55°C to 150°C ambient temperature range
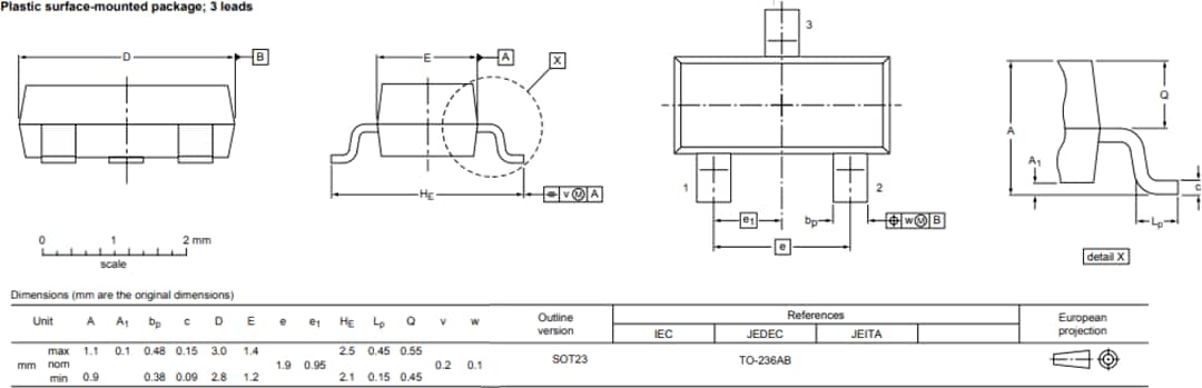
- SOT23 (TO-236AB) package
Applikationen
- Relay driver
- High-speed line driver
- High-side loadswitch
- Switching circuits
Package Outline
Videos
Additional Resources
View Results ( 3 ) Page
| Teilnummer | Datenblatt | Vgs th - Gate-Source-Schwellspannung | Id - Drain-Gleichstrom | Maximale Betriebstemperatur |
|---|---|---|---|---|
| BSH205G2AR | ![]() |
900 mV | 2.6 A | + 175 C |
| BSH205G2R | ![]() |
450 mV | 2.3 A | + 150 C |
| BSH205G2VL | ![]() |
950 mV | 2.3 A | + 150 C |
Veröffentlichungsdatum: 2015-03-10
| Aktualisiert: 2022-11-28

