onsemi Gate-Treiber NCP51563
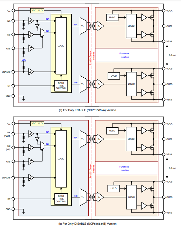
Bei den NCP51563-Gate-Treibern von onsemi handelt es sich um isolierte Zweikanal-Treiber, die für ein schnelles Schalten zum Antrieb von Leistungs-MOSFETs und SiC-MOSFET-Leistungsschaltern ausgelegt sind. Diese Treiber bieten kurze und abgestimmte Laufzeitverzögerungen. Die NCP51563-Gate-Treiber verfügen über eine Spitzenquellstrombelastbarkeit von 4,5 A und eine Spitzensenkenstrombelastbarkeit von 9 A. Diese Gate-Treiber werden in einem Sperrschichttemperaturbereich von -40°C bis 150°C betrieben. Die NCP51563 -Treiber können in möglichen Konfigurationen von zwei Low-Side-, zwei High-Side-Schaltern oder einem Halbbrückentreiber mit programmierbarer Totzeit verwendet werden. Diese Treiber verfügen über Schutzfunktionen, z. B. eine unabhängige Unterspannungssperre für Gate-Treiber und eine Totzeit-Anpassungsfunktion. Zu den Applikationen gehören Motorantriebe, isolierte Wandler in DC/DC- und AC/DC-Netzteilen, Server, Telekommunikation, industrielle Infrastrukturen sowie USV- und solar-Wechselrichter.Merkmale
- Flexibel:
- Dual-Low-Side-, Dual-High-Side- oder Halbbrücken-Gate-Treiber
- Spitzenquellstrombelastbarkeit von 4,5 A, Spitzensenkenstrombelastbarkeit von 9 A
- Unabhängige UVLO-Schutzfunktionen für beide Ausgangstreiber
- Ausgangsversorgungsspannung von 6,5 V bis 30 V mit 5 V und 8 V für MOSFET-, 13 V und 17 V UVLO-Schwellenwerte für SiC
- Gleichtakt-Transientenfestigkeit (CMTI) > 200 V/ns
- Typische Laufzeitverzögerung von 36 ns mit:
- maximaler Verzögerungsanpassung pro Kanal von 5 ns
- 5 ns maximale Pulsbreitenverzerrung
- Benutzerprogrammierbare Eingangslogik:
- Einzel- oder Dual-Eingangsmodi über ANB
- ENABLE- oder DISABLE-Modus
- Benutzerprogrammierbare Totzeit
- Isolierung und Sicherheit
- 5 kVRMS Isolierung für 1 Minute (gemäß UL1577-Anforderungen)
- 8000 VPK verstärkte Isolationsspannung (gemäß VDE0884-11-Anforderungen)
- CQC-Zertifizierung gemäß GB4943.1–2011
- SGS FIMO-Zertifizierung gemäß IEC 62386–1
- Bleifreie Bauteile
Applikationen
- Motorantriebe
- Isolierte Wandler in DC/DC- und AC/DC-Netzteilen
- Server, Telekommunikation und Industrie-Infrastrukturen
- USV und Solarwechselrichter
Blockdiagramm
Typische Applikationen – Diagramm
Veröffentlichungsdatum: 2023-08-11
| Aktualisiert: 2023-11-20
