onsemi NCV51563 Isolierter Zweikanal-Gate-Treiber

Der NCV51563 isolierte Zweikanal-Gate-Treiber vononsemi unterstützt einen Quellen-Spitzenstrom von 4,5 A und einen Senken-Spitzenstrom von 9 A. Der NCV51563 ist für ein schnelles Schalten zum Antrieb von Leistungs-MOSFETs und SiC-MOSFET-Leistungsschaltern ausgelegt. Der NCV51563 verfügt über kurze und angepasste Laufzeitverzögerungen.

Der NCV51563 isolierte Zweikanal-Gate-Treiber von onsemi bietet zwei unabhängige und galvanisch getrennte Gate-Treiber-Kanäle von 5 kVRMS (UL1577-Einstufung). Diese Kanäle bieten viele mögliche Konfigurationen von zwei Low-Side-, zwei High-Side-Schaltern oder einem Halbbrückentreiber mit programmierbarer Totzeit.

Der NCV51563 verfügt über viele Schutzfunktionen, einschließlich einer unabhängigen Unterspannungssperre für beide Gate-Treiber und eine Totzeit-Einstellungsfunktion.

Merkmale

  • Flexible Dual-Low-Side-, Dual-High-Side- oder Halbbrücken-Gate-Treiber
  • Spitzenquellstrombelastbarkeit von 4,5 A, Spitzensenkenstrombelastbarkeit von 9 A
  • Unabhängige UVLO-Schutzfunktionen für beide Ausgangstreiber
  • Ausgangsversorgungsspannung von 6,5 V bis 30 V mit 5 V und 8 V für MOSFET-, 13 V und 17 V UVLO-Schwellenwerte für SiC
  • Immunität gegen Gleichtakttransienten (CMTI) von mehr als 200 V/ns
  • Laufzeitverzögerung von 36 ns (typisch) mit
    • maximaler Verzögerungsanpassung pro Kanal von 5 ns
    • maximaler Pulsweitenverzerrung von 5 ns
  • Vom Benutzer programmierbare Eingangs-Logikschaltung
    • Einzel- oder Dual-Eingangsmodi über ANB
    • ENABLE- oder DISABLE-Modus
  • Benutzerprogrammierbare Totzeit
  • AEC-Q100-qualifiziert für die Anforderungen von Fahrzeuganwendungen
  • Isolierung und Sicherheit
    • Isolierung von 5 kVRMS für 1 Minute (gemäß UL1577 Anforderungen)
    • Verstärkte Isolationsspannung von 8.000 VPK (gemäß VDE0884-11 Anforderungen)
    • CQC-Zertifizierung gemäß GB4943.1-2011
    • SGS-FIMO-Zertifizierung gemäß IEC 62386−1
  • Bleifreie Bauteile

Applikationen

  • On-Board-Ladegeräte
  • XEV DC/DC-Wandler
  • Traktionswechselrichter
  • Ladestationen

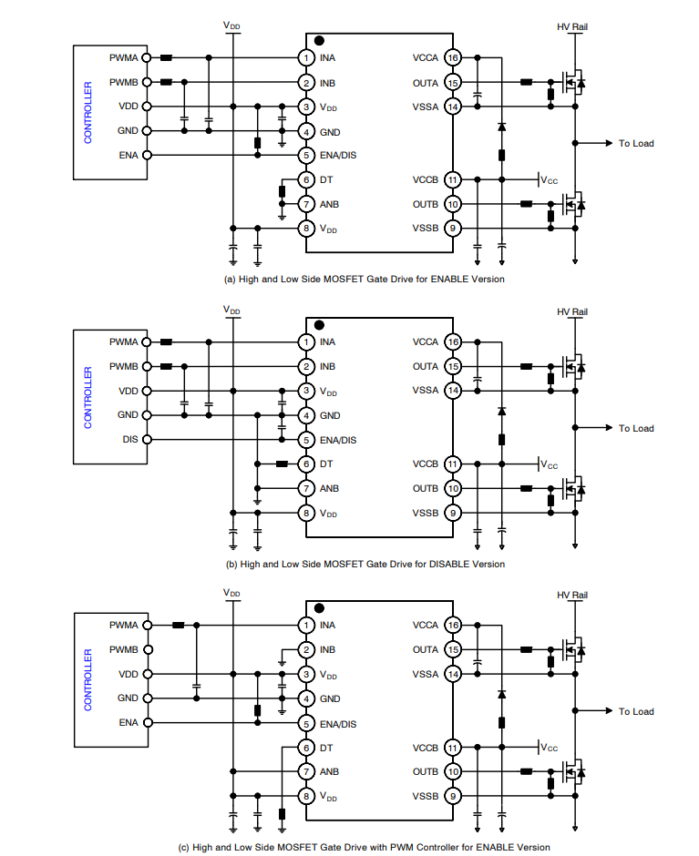
Typische Applikations-Schaltungen

Applikations-Schaltungsdiagramm - onsemi NCV51563 Isolierter Zweikanal-Gate-Treiber

Blockdiagramm

Blockdiagramm - onsemi NCV51563 Isolierter Zweikanal-Gate-Treiber
Veröffentlichungsdatum: 2022-08-23 | Aktualisiert: 2023-08-11