Renesas Electronics ISL81805 Synchroner 80-V-Dual-Aufwärtsregler
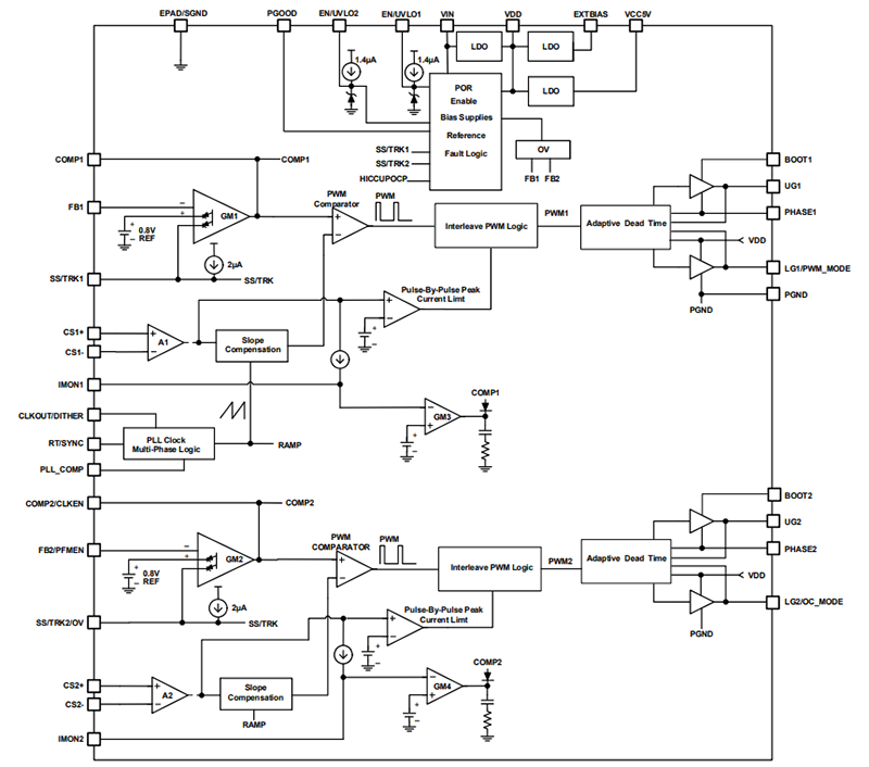
Der Renesas Electronics ISL81805 synchrone 80-V-Dual-Aufwärtsregler erzeugt zwei unabhängige Ausgänge oder einen Ausgang mit zwei verschachtelten Phasen für verschiedene Industrie- und Universal-Applikationen. Ein großer Eingangs-/Ausgangsspannungsbereich macht den Controller ideal für Telekommunikation, Rechenzentren und Computerapplikationen. Der Regler ist in einem platzsparenden 32-Zuleitung 5mm x 5mm TQFN untergebracht und verfügt über einen programmierbaren Sanftanlauf und genaue Schwellwert-Freigabefunktionen mit einer Power-Good-Anzeige zur Vereinfachung der Stromversorgungsschienen-Sequenzierung. Um eine hohe Zuverlässigkeit zu gewährleisten, bietet das Bauteil auch vollständige Schutzfunktionen wie OVP, UVP, OTP sowie Mittel- und Spitzenstrombegrenzungen an beiden Ausgängen.Der ISL81805 von Renesas verwendet eine Spitzenstrommodussteuerung mit Phasenverschachtelung für die beiden Ausgänge. Jeder Ausgang verfügt über eine Stromüberwachung, einen Spannungsregler und einen durchschnittlichen Stromregler, um eine unabhängige durchschnittliche Spannungs- und Stromsteuerung bereitzustellen. Der interne Phasenregelschleifen-Oszillator (PLL) gewährleistet eine genaue Frequenzeinstellung von 100kHz bis 1MHz und der Oszillator kann mit einem externen Taktsignal für Frequenzsynchronisierung und Phasenverschachtelungs-Parallelapplikationen synchronisiert werden. Diese PLL-Schaltung kann ein phasenverschiebungs-programmierbares Taktsignal ausgeben, das mit der erforderlichen verschachtelten Phasenverschiebung auf drei, vier und sechs Phasen erweitert wird.
Merkmale
- Breiter Eingangsspannungsbereich von 4.5V bis 80V
- Großer Ausgangsspannungsbereich von 5V bis 80V
- 4 x MOSFET-Treiber mit adaptivem Durchzündungsschutz
- Konstante Ausgangsspannungs- und Ausgangsstrom-Rückkopplungsschleifensteuerung
- Verbesserung des Wirkungsgrads bei geringer Last, Dioden-Emulation mit niedriger Welligkeit und Burst-Modus-Betrieb
- Programmierbarer Sanftanlauf
- Unterstützt ein Einschalten in vorgespannte Schienen
- Programmierbarer Frequenzbereich: 100 kHz bis 1 MHz
- Externe Taktsynchronisierung
- Unterstützt Stromaufteilung mit Kaskaden-Phasenverschachtelung
- Takt-Out mit einem genauen Phasenwinkel, der durch PLL oder Frequenz-Dithering gesteuert wird
- P-GOOD-Anzeige
- Eingangsstromüberwachung
- Wählbarer Modus zwischen PWM/DE/Burst
- ±2 % Genauer EN/UVLO-Schwellenwert
- Niedriger 5 µA Abschaltstrom
- OCP (Impuls-für-Impuls und optionaler Hiccup- oder Konstantstrommodus), OVP, OTP und UVP
Applikationen
- Telekommunikation
- Server und Rechenzentren
- Automotive-Elektronik
- Industrie-Ausstattung
- Leistungssysteme
Typische Applikation
Blockdiagramm
