ROHM Semiconductor BD7693FJ Blindleistungskompensations-Controller
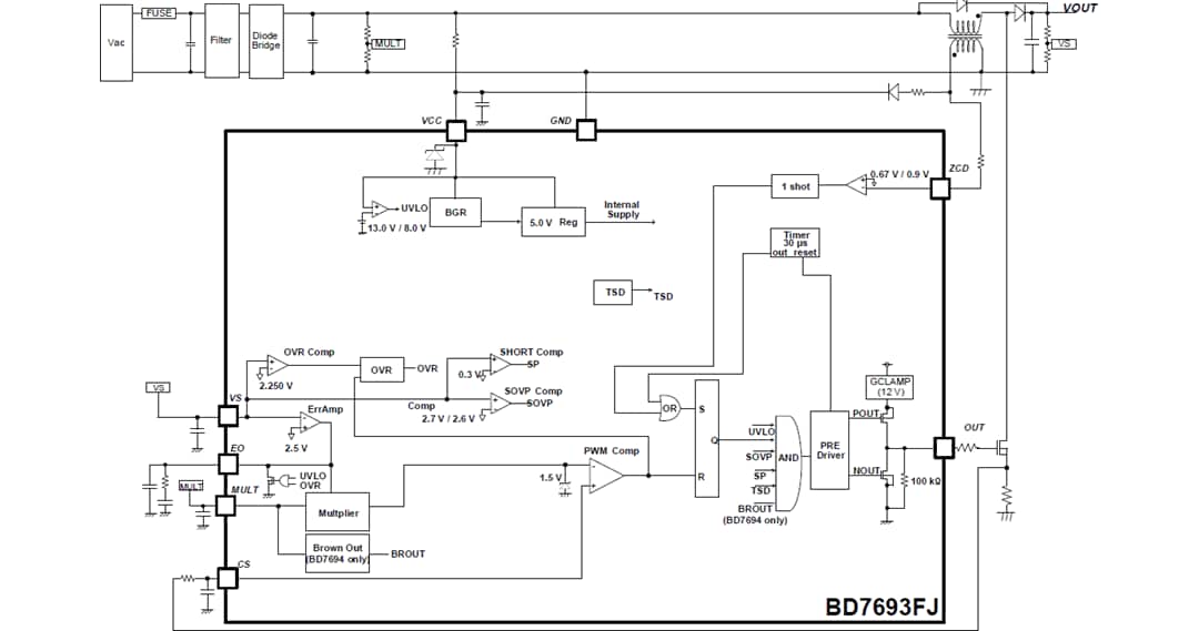
Der BD7693FJ Blindleistungskompensations-Controller von ROHM Semiconductor ist ein Boundary Conduction Mode (BCM) PFC-Controller, der eine einfache, leistungsstarke, aktive Blindleistungskompensation mit minimalen externen Komponenten bietet. Der BD7693FJ verfügt über eine ZCD-Schaltung (Zero Current Detection), die Schaltverluste und Rauschen erheblich reduziert. Das Bauteil verfügt darüber hinaus über eine Schaltung zur Senkung der Gesamtklirrverzerrung (THD). Der BD7693FJ unterstützt die IEC 61000-3-2 Oberschwingungsnorm der Klasse C und ist damit ideal für Beleuchtungsanwendungen geeignet.Der Leistungsfaktorkorrektur-Controller BD7693FJ von ROHM Semiconductor wird in einem 4,9 mm x 6,0 mm großen SOP-J8-Gehäuse mit einem Betriebstemperaturbereich von -40 °C bis +105 °C angeboten.
Merkmale
- Grenzflächenleitungsmodus-PFC
- Eingangsspannungsbereich: 10 V bis 38 V
- Schaltung mit niedrigem THD-Wert
- Niedriger Betriebsstrom: 58 mA
- VCC UVLO-Funktion
- ZCD durch Hilfswicklung
- Statisches OVP über den VS-Pin
- Kurzschlussschutz am Eingang des Fehlerverstärkers
- Stabile MOSFET-Gate-Ansteuerung
- Soft-Start
- Betriebstemperaturbereich: -40 °C bis +105 °C
- SOP-J8 Gehäuse: 4,9 mm x 6,0 mm x 1,65 mm
Applikationen
- Beleuchtungsausstattung
- AC-Adapter
- Weißware
Typische Applikations-Schaltung
Blockdiagramm
Veröffentlichungsdatum: 2021-08-05
| Aktualisiert: 2022-03-11
