ROHM Semiconductor BD7693FJ-EVK-001 Evaluierungsboard

Das BD7693FJ-EVK-001 Evaluierungsboard von ROHM Semiconductor ist eine Demonstrationsplattform für den BD7693FJ Blindleistungskompensations-Controller. Der BD7693FJ ist ein Boundary Conduction Mode (BCM) PFC-Controller, der eine einfache, leistungsstarke, aktive Leistungsfaktorkorrektur mit minimalen externen Komponenten bietet. Der BD7693FJ verfügt über eine  ZCD-Schaltung (Zero Current Detection), die Schaltverluste und Rauschen erheblich reduziert. Das Bauteil verfügt darüber hinaus über eine Schaltung zur Senkung der Gesamtklirrverzerrung (THD). Der BD7693FJ unterstützt die IEC 61000-3-2 Oberschwingungsnorm der Klasse C und ist damit ideal für Beleuchtungsanwendungen geeignet.

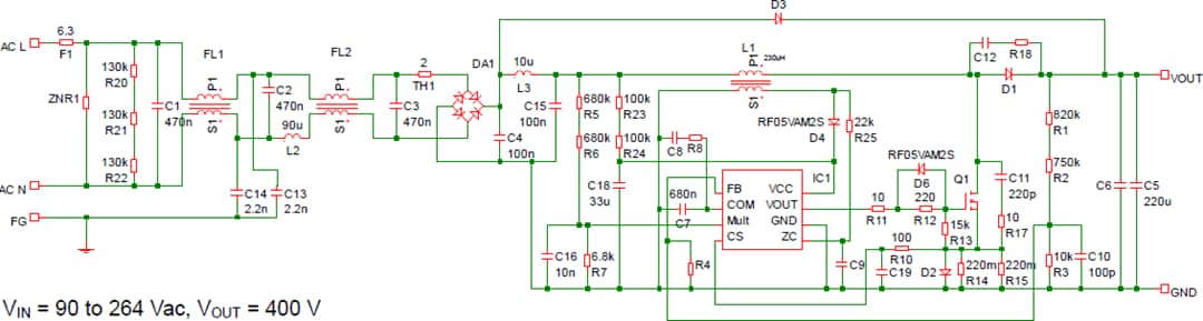
Das BD7693FJ-EVK-001 Evaluierungsboard von ROHM Semiconductor verfügt über einen BD7693FJ PFC-Controller in einem SOP-J8-Gehäuse von 4,9 mm x 6,0 mm. Das Evaluierungsboard bietet eine Beispiel-Referenzschaltung auf der Basis des BD7693FJ mit einem 400-V-Ausgang von einem 90-V- bis 264-V-AC-Eingang.

Merkmale

  • Eingangsspannungsbereich (VIN): 90 V bis 264 VAC
  • Eingangsfrequenz (F- Leitung): 50/60 Hz
  • Ausgangsspannung: 376 V bis 144 V, 395 V (VOUT) (typisch)
  • Maximale Ausgangsleistung (POUT): 200 W
  • Ausgangsstrombereich (IOUT): 0 A bis 0,5 A
  • Gesamte harmonische Verzerrung (THD): 3,6 % typisch
  • 0,97 PF bei 230 VAC, IOUT=0,5 A
  • Wirkungsgrad (η): 96 %
  • Ausgangswelligkeitsspannung (VR): 11 VPP
  • Mindesthaltezeit (thold): 20 ms
  • Betriebstemperaturbereich (Topr): -10 °C bis +65 °C
  • PCB: 200 mm x 112 mm

Erforderliche Ausrüstung

  • Stromversorgung: 90 V bis 264 VAC , 200 W oder höher
  • Elektronische Last von 0,5 A mit Unterstützung für 500 V Eingangsspannung
  • Multimessgeräte
  • Stromzähler

Board-Layout

Technische Zeichnung - ROHM Semiconductor BD7693FJ-EVK-001 Evaluierungsboard

Verbindungsdiagramm

ROHM Semiconductor BD7693FJ-EVK-001 Evaluierungsboard

Applikations-Schaltung

Applikations-Schaltungsdiagramm - ROHM Semiconductor BD7693FJ-EVK-001 Evaluierungsboard
Veröffentlichungsdatum: 2021-08-05 | Aktualisiert: 2022-03-11