STMicroelectronics EV-VNHD7008AY Evaluierungsboard
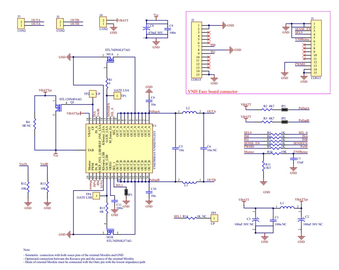
Das EV-VNHD7008AY Evaluierungsboard von STMicroelectronics ist eine Demonstrations- und Prototyping-Plattform für den VNHD7008AY H-Brücken-Motortreiber. Das vorbestückte EV-VNHD7008AY Evaluierungsboard enthält einen VNHD7008AY Treiber und zusätzliche elektrische Komponenten, die Entwicklern die direkte Verbindung mit einer Last, einem Netzteil und einem Mikrocontroller ohne zusätzlichen Aufwand für ein externes Komponentendesign und eine Verbindung ermöglicht.Das VNHD7008AY Bauteil ist in einem PowerSSO-36-Gehäuse mit freiliegendem Pad zur Optimierung der Dissipationsleistungen untergebracht. Die INA- and INB-Eingangssignale können direkt mit dem Mikrocontroller verbunden werden, um die Motordrehrichtung und Bremsbedingungen auszuwählen. Zwei Auswahlpins (SEL0 und SEL1) sind verfügbar, um den Mikrocontroller mit Informationen zu adressieren, die auf dem MultiSense verfügbar sind. Der MultiSense-Pin ermöglicht die Überwachung des Motorstroms, bietet eine Spannung, die anteilsmäßig zum Batteriewert steht, und überwacht die Temperatur auf dem Chip.
Merkmale
- Einfaches Einzel-IC-Applikationsboard für den VNHD7008AY dediziert
- Bietet elektrische Konnektivität und Kühlkörper für ein einfaches Prototyping
- Board-Abmessungen: 45 mm x 65 mm
- RoHS-konform
Schaltplan
Veröffentlichungsdatum: 2018-12-10
| Aktualisiert: 2023-02-27
