STMicroelectronics VNHD7008AY H-Brücken-Motortreiber
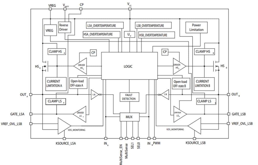
Der STMicroelectronics VNHD7008AY H-Brücken-Motortreiber ist ein AEC-Q100-qualifizierter DC-Motortreiber, der für Fahrzeuganwendungen ausgelegt ist. Der VNHD7008AY integriert einen vollständig geschützten dualen High-Side-Treiber sowie die Treiber und Schutzvorrichtungen für zwei externe Leistungs-MOSFETs in einer Low-Side-Konfiguration.Der VNHD7008AY Motortreiber enthält die VIPower® M0-Technologie, die dem Bauteil eine effiziente Integration auf dem gleichen Chip wie ein echter Leistungs-MOSFET mit einer intelligenten Signal-/Schutzschaltung ermöglicht. Der VNHD7008A ist in einem PowerSSO-36-Gehäuse mit freiliegendem Pad zur Optimierung der Dissipationsleistungen untergebracht.
Die INA- and INB-Eingangssignale können direkt mit dem Mikrocontroller verbunden werden, um die Motordrehrichtung und Bremsbedingungen auszuwählen. Zwei Auswahlpins (SEL0 und SEL1) sind verfügbar, um den Mikrocontroller mit Informationen zu adressieren, die auf dem MultiSense verfügbar sind. Der MultiSense-Pin ermöglicht die Überwachung des Motorstroms, bietet eine Spannung, die anteilsmäßig zum Batteriewert steht, und Temperaturinformationen auf dem Chip. Zu den integrierten Schutzfunktionen gehören: Laststrombegrenzung, aktive Überlast-Leistungsbegrenzung (mit Latch-Off), Übertemperaturabschaltung (mit Latch-Off) und Querstromschutz.
Merkmale
- AEC-Q100-qualifiziert
- Ausgangsstrom (Iout): 51 A
- Vollständig geschützter HSD mit MultiSense-Feedback
- Zwei integrierte Treiber für die externen LSDs
- 3 V CMOS-kompatible Eingänge
- Schutzfunktionen:
- Unterspannungsabschaltung
- Überspannungsklemme
- Thermische Abschaltung
- Laststrombegrenzung
- Selbstbegrenzung schneller thermischer Transienten (Leistungsbegrenzung)
- Querstromschutz
- Durchzündungsschutz
- Erdungsverlust und VCC-Verlust
- Schutz gegen elektrostatische Entladungen
- Überwachung der Drain- und Source-Spannung der externen MOSFETs, konfigurierbar über einen externen Widerstand (Kurzschluss-Batterieschutz)
- RDS(on) 8 mΩ pro Kanal (typisch)
- PWM-Betrieb bis zu 20 kHz für externe LSDs
- MultiSense-Überwachungsfunktionen Analoge Motorstromrückkopplung
- Chip-Temperaturüberwachung
- Batteriespannungsüberwachung
- MultiSense Diagnosefunktionen
- Ausgangskurzschluss zu Masseerkennung
- Überhitzungsschutz-Anzeige
- Open-Load-Erkennung im OFF-Zustand
- Ausgangskurzschluss zu VCC-Erkennung
- Standby-Modus
- Halbbrückenbetrieb
- Ladepumpenausgang für Batterie-Verpolungsschutz
- Sperrschicht-Betriebstemperatur: -40 °C bis 150 °C
- Lagertemperatur: -55 °C bis +150 °C
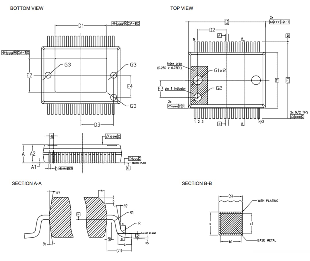
- ECOPACK® PowerSSO-36-Gehäuse
Applikationen
- Leistungsfenster
- Sitzpositionierung
- Sonnenblenden
- Heckklappenheber
Videos
Blockdiagramm
Gehäuseabmessungen
