STMicroelectronics STEVAL-1PS01DJR Evaluierungsboard
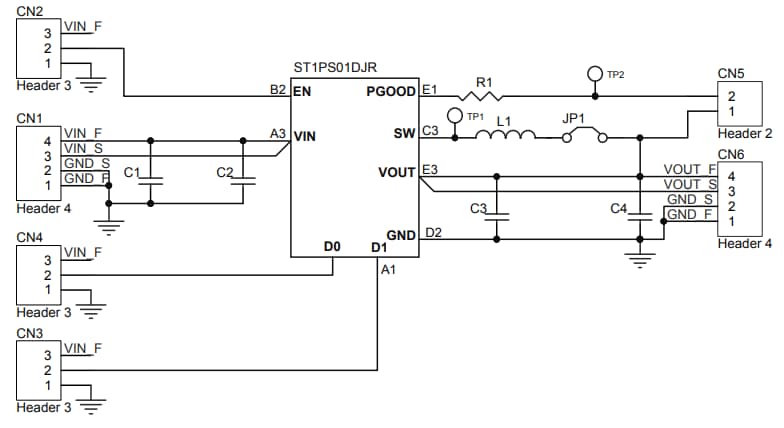
Das STEVAL-1PS01DJR Evaluierungsboard von STMicroelectronics ist ein Development Tool für den ST1PS01DJR 400-mA-Nano-Quiescent-Synchron-Abwärtswandler. Der Wandler kann mit einem Eingangsspannungsbereich von 1,8 V bis 5,5 V einen Ausgangsstrom von bis zu 400 mA liefern. Das Board ist für Applikationen ausgelegt, bei denen ein hocheffizienter Wirkungsgrad sowie die Leiterplattengröße und -dicke wichtig sind. Der ST1PS01 kann die verbesserte Spitzenstromsteuerung (Peak Current Control, PCC) nutzen, um mit einer 2,2-µH-Induktivität und zwei kleinen Kondensatoren eine Umwandlung mit sehr hohem Wirkungsgrad zu erzielen. Die fortschrittliche Design-Schaltung reduziert den Ruhestrom auf ein Minimum.Merkmale
- Eingangsbetriebsbereich: 1,8 V bis 5,5 V
- Ausgangsstromleistung: bis zu 400 mA
- Externe Komponenten: L = 2,2 µH (typisch)
- Auswählbare Ausgangsspannungen: 1,8 V bis 2,8 V
- Dynamische Ausgangsspannungsauswahl (D0, D1)
Schaltplan-Diagramm
Veröffentlichungsdatum: 2019-05-30
| Aktualisiert: 2024-03-01
