Texas Instruments LM66100 Ideal-Dioden für ±6 V mit niedrigem IQ
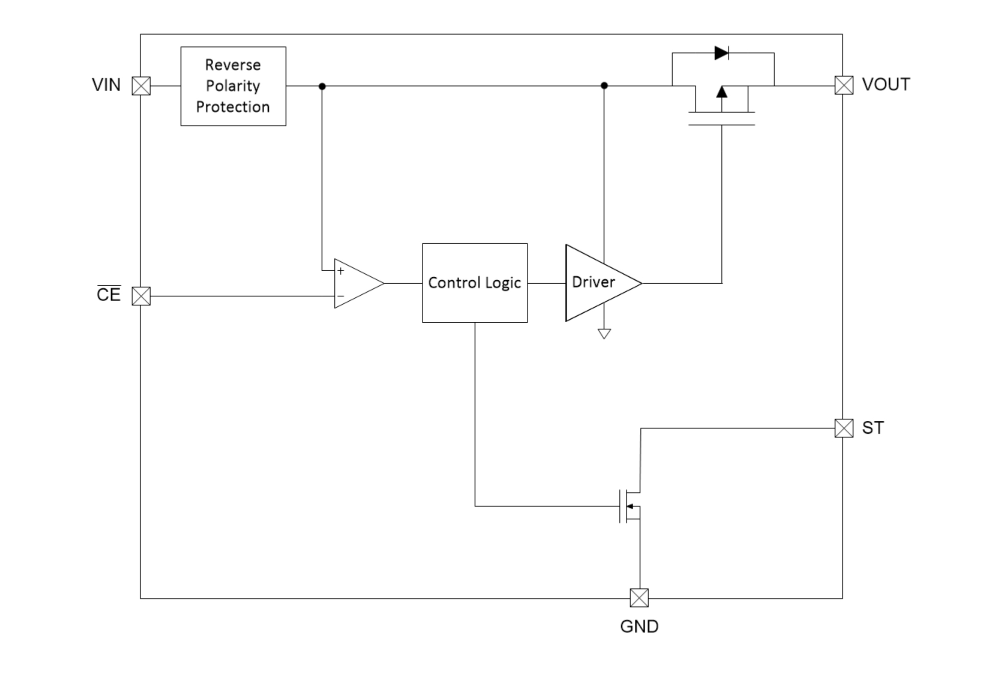
Texas Instruments LM66100 Ideal-Dioden für ±6 V mit niedrigem IQ bieten einen integrierten Einzel-Eingang, Einzel-Ausgang (SISO) und eignen sich hervorragend für eine große Auswahl von Applikationen. Der LM66100 enthält einen p-Kanal-MOSFET, der über einen Eingangsspannungsbereich von 1,05 V bis 5,5 V betrieben werden und einen maximalen Gleichstrom von 1,5 A unterstützen kann.Zwei LM66100 Ideal-Dioden mit niedrigem IQ können in einer O-Ring-Konfiguration, die ähnlich einer Dual-Dioden-O-Ring-Implementierung ist, verwendet werden. Diese Konfiguration ermöglicht dem LM66100 die höchste Eingangsspannung zum Ausgang zu leiten, während gleichzeitig der Rückstromfluss in die Eingangsversorgungen blockiert wird. Die LM66100 Ideal-Dioden können die Eingangs- mit der Ausgangsspannung vergleichen, um sicherzustellen, dass der Rückstrom über einen internen Spannungskomparator blockiert wird.
Der LM66100 ist für den Betrieb über einen Sperrschichttemperaturbereich von -40 °C bis 125 °C ausgelegt und in einem SC-70-Standardgehäuse verfügbar.
Merkmale
- Großer Betriebsspannungsbereich: 1,5 V bis 5,5 V
- Sperrspannung-Abstandshalter auf VIN: –6 V absolutes Maximum
- Maximaler Dauerstrom (IMAX): 1,5 A
- Einschaltwiderstand (RON):
- 5 V VIN = 79 mΩ (typisch)
- 3,6 V VIN = 91 mΩ (typisch)
- 1,8 V VIN = 141 mΩ (typisch)
- Komparator-Chip-Freigabe (Chip-Enable, CE)
- Kanalstatusanzeige (Status Indication, ST)
- Geringe Stromaufnahme:
- 3,6 V VIN-Abschaltstrom (ISD,VIN): 120 nA (typisch)
- 3,6 V VIN-Ruhestrom (IQ, VIN): 150 nA (typisch)
Applikationen
- Smart Meter
- Gebäudeautomatisierung
- GPS und Tracking
- Primäre und Backup-Batterien
Funktionsdiagramm
Veröffentlichungsdatum: 2019-07-24
| Aktualisiert: 2023-10-09
