Texas Instruments LMR60440 Synchroner Abwärtswandler
Der synchrone Abwärtswandler LMR60440 von Texas Instruments ist ein hocheffizienter 3-V-auf-36-V-Wandler mit 4 A und ultra niedrigem IQ, der eine hohe Leistungsdichte und geringe EMI ermöglicht. Dies bietet einen Ausgangsspannungsbereich von 1 V bis 20 V, einschließlich eines Widerstandsteilers zwischen dem Ausgangsspannungsknoten, Rückkopplung und Masse. Der LMR60440- Wandler verfügt über einen Power-Good-Ausgang für die Leistungssequenzierung und einen MODE-/SYNC-Pin zur Auswahl zwischen den Betriebsmodi. Die Strommodus-Steuerungsarchitektur mit minimaler Einschaltzeit von 30 ns ermöglicht hohe Umwandlungsverhältnisse bei hohen Frequenzen, eine einfache Schleifenkompensation, ein schnelles Einschwingverhalten und eine ausgezeichnete Last- und Leitungsregelung. Der LMR60440 bietet Varianten mit einem Frequenzspreizungsverfahren in einem ultrakompakten, HotRod-QFN-9-Gehäuse mit den Abmessungen 2,5 mm x 2 mm. Zu den typischen Applikationen gehören Fabrikautomatisierung und -steuerung, Haushaltsgeräte und Gebäudeautomatisierung.Der LMR60440- Wandler verbraucht einen Ruhestrom von 5 µA, um einen hohen Wirkungsgrad bei allen Lasten zu gewährleisten. Der erzwungene Pulsbreitenmodulationsmodus (FPWM) erzeugt eine konstante Schaltfrequenz über die Last, während der automatische Modus nahtlose Übergänge zwischen PWM- und PFM-Schaltung ermöglicht. Die LMR60440-Bauteile verfügen über elektrische Eigenschaften, die bis zu einer maximalen Sperrschichttemperatur von 150 °C spezifiziert sind.
Merkmale
- Für funktionale Sicherheit geeignet:
- Dokumentation zur Unterstützung des Designs von funktionalen Sicherheitssystemen ist verfügbar
- Großer Betriebseingangsspannungsbereich: 3 V bis 36 V (42 V absolutes maximum)
- Sehr geringer Ruhestrom:
- 0,65 μA Abschaltstrom
- 5 μA Nulllast-standby-Strom
- Über Pins programmierbare Ausgangsspannungsoptionen verfügbar in festen 3,3 V/ADJ und 5 V/ADJ:
- Einstellbarer Ausgangsspannungsbereich: 1 V bis 20 V
- Optimiert für geringe elektromagnetische Störungen (EMI):
- HotMesh™-QFN-Gehäuse mit niedriger Induktivität
- Frequenzspreizungsoptionen verfügbar
- Niedriger minimaler tON: 30 ns typisch
- 200 kHz bis 2,2 MHz Programmierbare Schaltfrequenz
- FPWM-, PFM- oder externe Frequenzsynchronisierung ist verfügbar
- Für skalierbare Stromversorgungen ausgelegt
- Pin-kompatibel mit LMR60406, LMR60410, LMR60420 und LMR60430
- Power-Good-Ausgang für Leistungssequenzierung
Applikationen
- Fabrikautomatisierung und -steuerung
- Gebäudeautomation
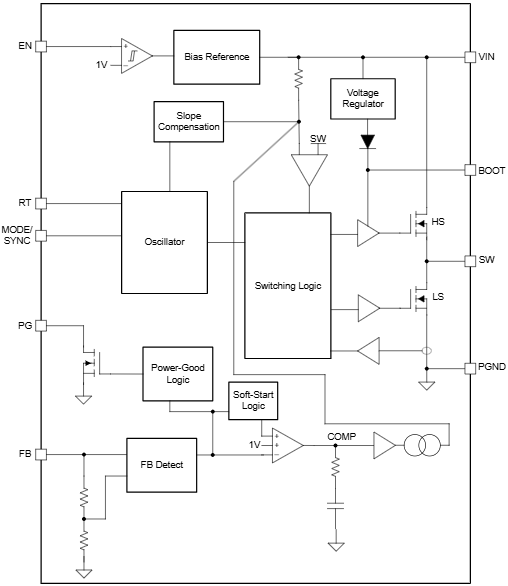
Funktionales Blockdiagramm
Veröffentlichungsdatum: 2025-01-23
| Aktualisiert: 2025-10-09
