Texas Instruments LV14340 Abwärtswandler
Der Abwärtswandler LV14340 von Texas Instruments ist ein Abwärtsregler mit 40 V, 3,5 A und einem integrierten High-Side-MOSFET. Das Bauteil bietet einen großen Eingangsbereich von 4 V bis 40 V und eignet sich hervorragend für verschiedene Industrie- und Fahrzeuganwendungen für die Leistungsregelung von ungeregelten Quellen. Darüber hinaus ermöglicht ein großer einstellbarer Schaltfrequenzbereich entweder den Wirkungsgrad oder die Optimierung der Größe externer Komponenten.Darüber hinaus verfügt der LV14340-Wandler über integrierte Schutzoptionen, wie z. B. eine Zyklus-für-Zyklus-Strombegrenzung, eine thermische Erkennung, eine Abschaltung aufgrund übermäßiger Verlustleistung und einen Ausgangsüberspannungsschutz.
Der LV14340 ist in einem 8-Pin-HSOIC mit einem freiliegenden Pad für einen niedrigen thermischen Widerstand untergebracht.
Merkmale
- Neueres Produkt verfügbar – LMR51440 4 bis 36 V, 4 A, 200 kHz bis 1,1 MHz Synchronwandler
- Für eine schnellere Markteinführung – TLVM13640 3 bis 36 V, 4 A, 200 kHz bis 2,2 MHz Leistungsmodul
- Eingangsbereich: 4 V bis 40 V
- Dauerausgangsstrom: 3,5 A
- 100-mΩ-High-Side-MOSFET
- Mindesteinschaltzeit: 100 ns
- Strommodussteuerung
- 200 kHz bis 2 MHz anpassbare Schaltfrequenz
- Frequenzsynchronisierung mit externem Taktgeber
- Interne Kompensation für eine einfache Verwendung
- Unterstützung von Betrieb mit hohem Tastverhältnis
- Präzisionsfreigabeeingang
- Abschaltstrom: 1 µA
- Übertemperatur-, Überspannungs- und Kurzschlussschutz
- 8-Pin-SOIC-Gehäuse mit PowerPAD™
Applikationen
- Regulierung von Fahrzeugbatterien
- Industrienetzteile
- Telekommunikations- und Datenkommunikationssysteme
- Batteriebetriebene Systeme
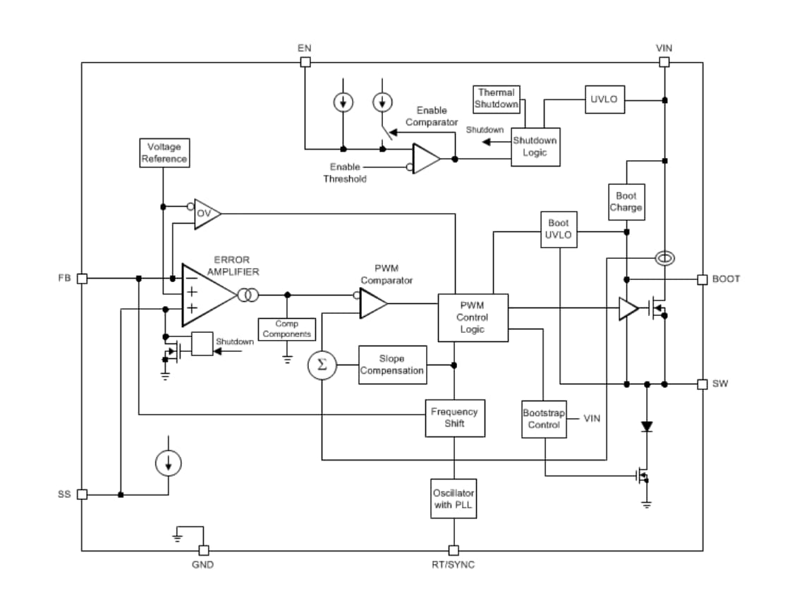
Blockdiagramm
Veröffentlichungsdatum: 2024-05-13
| Aktualisiert: 2024-05-23
