Texas Instruments UCC14131-Q1 Isolierte DC/DC-Module
Die isolierten DC/DC-Module UCC14131-Q1 von Texas Instruments sind für die Stromversorgung von GaN-, IGBT-, SiC- oder Si-Gate-Treibern ausgelegt. Der UCC14131-Q1 integriert einen Transformator und einen DC/DC-Controller mit einer firmeneigenen Architektur, um eine hohe Effizienz bei sehr geringen Emissionen zu erreichen.Das UCC14131-Q1 von TI kann einen isolierten Ausgang von 12 V von einem geregelten Eingang von 12 V zur Ansteuerung von GaN- und Si-MOSFETs und einen isolierten Ausgang von 15 V oder 18 V von einem geregelten Eingang von 15 V zur Vorspannung der Treiberschaltung für SiC-MOSFETs oder IGBTs liefern. Die UCC14131-Q1 Module liefern eine hohe Genauigkeit mit besserer Kanalanreicherung für einen höheren Systemwirkungsgrad, ohne das Gate des Leistungsbauteils übermäßig zu belasten.
Merkmale
- Vollständig integriertes isoliertes DC/DC-Modul mit hoher Dichte und Trenntransformator
- Isolierter DC/DC zur Ansteuerung von: IGBTs, GaN-, SiC- und Si-MOSFETs
- Eingangsspannungsbereich von 10 V bis 18 V mit 32 V absolutem Maximum
- Ausgangsleistung von 1,5 W bei TA ≤105 °C
- Ausgangsleistung von 1,0 W für 10 V <VVIN <18 V bei TA = 105 °C
- Einstellbare Einzel- oder Doppelausgangsspannungen (über Widerstände) mit <±1,3% Regelungsgenauigkeit über den gesamten Betriebsbereich
- Geringe elektromagnetische Emission durch Frequenzspreizungsmodulation und integriertes Transformatorendesign
- Enable, Power Good, UVLO, OVLO, Soft-Start, Leistungsbegrenzung, Unterspannungs-, Überspannungs-, Kurzschluss- und Übertemperaturschutz
- CMTI > 50 kV/µs
- Gemäß AEC-Q100 für Automobilanwendungen zugelassen
- Temperaturklasse 1 von -40 °C ≤TJ ≤150 °C
- Temperaturklasse 1 von -40 °C ≤TA ≤125 °C
- Dokumentation hinsichtlich der funktionalen Sicherheit zur Unterstützung des Designs funktionaler Sicherheitssysteme verfügbar
- Geplante sicherheitsbezogene Zulassungen
- 7071VPK verstärkte Isolierung nach DIN EN IEC 60747-17 (VDE 0884-17)
- Isolierung: 5000 VRMS für 1 Minute gemäß UL1577
- Verstärkte Isolierung gemäß CQC GB4943.1
- 36-Pin-Wide-SSOP-Gehäuse
Applikationen
- Hybrid-, Elektro- und Antriebsstrangsysteme (EV/HEV)
- Wechselrichter und Motorsteuerung
- Integriertes (OBC) und kabelloses Ladegerät
- DC/DC-Wandler für den Automobilbereich
- Motorantriebe
- Industrie-Transportsysteme
- Netzinfrastruktur
- EV-Leistungsmodul für Ladestationen
- DC-Ladestation (Stapel)
- String-Wechselrichter
- Handelsübliches Server-PSU
Bauteilvergleichstabelle
Vereinfachte Applikation
Typische Einschaltsequenz
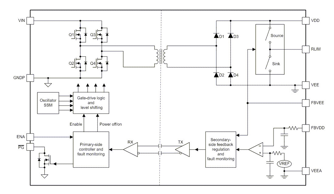
Funktionales Blockdiagramm
Veröffentlichungsdatum: 2024-03-11
| Aktualisiert: 2025-05-22
